LEMON Manuals: Even more car manuals for everyone
Home >> Suzuki >> 2007 >> SX4 Base, Automatic >> Repair and Diagnosis >> Engine Performance >> Engine Control Systems >> Engine General Information And Diagnosis >> Diagnostic Information and Procedures >> Radiator Cooling Fan Low Speed Control System Check >> Wiring Diagram

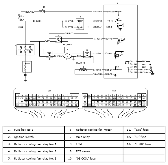
Radiator Cooling Fan Low Speed Control System Check: Wiring Diagram

Fig 1: Radiator Cooling Fan Low Speed Control System - Wiring Diagram
G04846634Courtesy of SUZUKI OF AMERICA CORP.