LEMON Manuals: Even more car manuals for everyone
Home >> Suzuki >> 2007 >> SX4 Base, Automatic >> Repair and Diagnosis >> Engine Performance >> Engine Control Systems >> Engine General Information And Diagnosis >> Diagnostic Information and Procedures >> A/C System Circuits Check >> Wiring Diagram

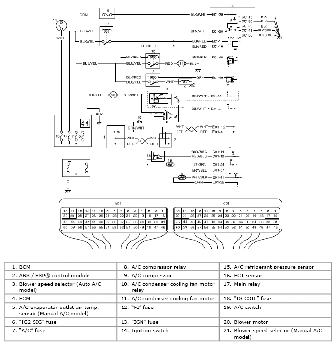
A/C System Circuits Check: Wiring Diagram

Fig 1: A/C System Circuit - Wiring Diagram
G04846632Courtesy of SUZUKI OF AMERICA CORP.