LEMON Manuals: Even more car manuals for everyone
Home >> Suzuki >> 2007 >> Reno Standard >> Repair and Diagnosis >> Engine Performance >> Engine Control Systems >> Engine - Diagnostic Introduction >> Fuel Pump Relay Circuit Check >> Notes

Fuel Pump Relay Circuit Check: Notes

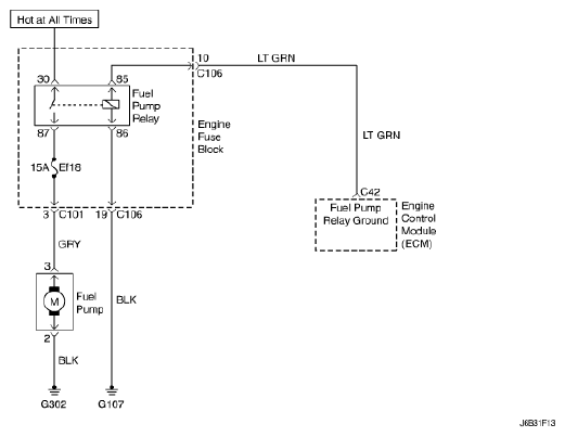
Fig 1: Engine Control Module - Circuit Diagram
G04817365Courtesy of SUZUKI OF AMERICA CORP.