LEMON Manuals: Even more car manuals for everyone
Home >> Suzuki >> 2007 >> Reno Standard >> Repair and Diagnosis >> Engine Performance >> Engine Control Systems >> Engine - Diagnostic Introduction >> Diagnostic Information & Procedure >> On-Board Diagnostic (OBD II) System Check >> Notes

On-Board Diagnostic (OBD II) System Check: Notes

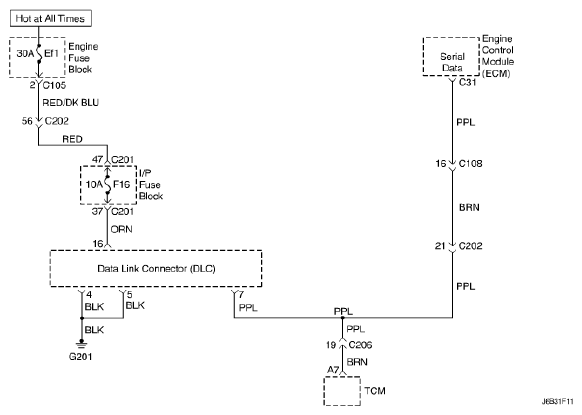
Fig 1: Engine Control Module - Circuit Diagram
G04817355Courtesy of SUZUKI OF AMERICA CORP.