LEMON Manuals: Even more car manuals for everyone
Home >> Suzuki >> 2007 >> Reno Automatic >> Repair and Diagnosis >> Engine Performance >> Engine Control Systems >> Engine - Diagnostic Introduction >> Engine Cooling Fan Circuit Check - Dual Fan >> Notes

Engine Cooling Fan Circuit Check - Dual Fan: Notes

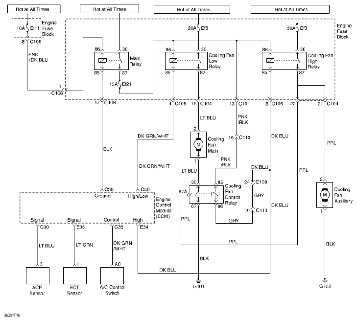
Fig 1: Engine Cooling Fan - Circuit Diagram
G04817367Courtesy of SUZUKI OF AMERICA CORP.