LEMON Manuals: Even more car manuals for everyone
Home >> Suzuki >> 2007 >> Aerio Base, AWD >> Repair and Diagnosis >> Engine Performance >> Engine Control Systems >> Engine General Information And Diagnosis >> General Description >> Electronic Control System Description >> ECM Input / Output Circuit Diagram

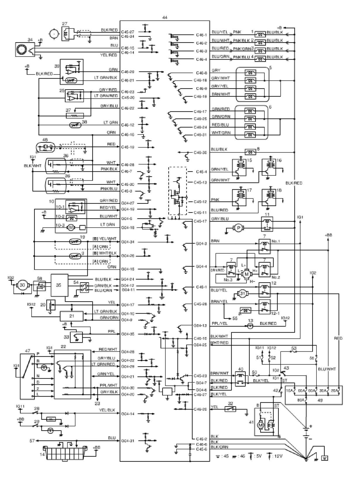
ECM Input / Output Circuit Diagram

Fig 1: ECM Input / Output Circuit Diagram
G04589408Courtesy of SUZUKI OF AMERICA CORP.
Fig 2: ECM Input / Output Circuit Reference Table
G04589409Courtesy of SUZUKI OF AMERICA CORP.