LEMON Manuals: Even more car manuals for everyone
Home >> Suzuki >> 2006 >> Verona Base >> Repair and Diagnosis >> Steering >> Power Steering >> Power Assisted Steering System >> Diagnostic Information and Procedures >> Speed Sensitive Power Steering System Diagnosis >> Notes

Speed Sensitive Power Steering System Diagnosis: Notes

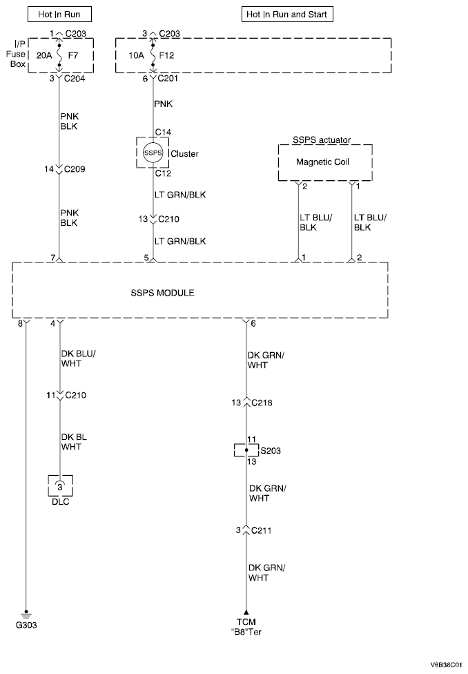
Fig 1: Speed Sensitive Power Steering System Circuit Diagram
G04719901Courtesy of SUZUKI OF AMERICA CORP.