LEMON Manuals: Even more car manuals for everyone
Home >> Suzuki >> 2006 >> Verona Base >> Repair and Diagnosis >> Engine Performance >> System >> Engine Control System - System And Component Checks, Specifications, Special Tools And Equipment >> Ignition System Check >> Notes

Ignition System Check: Notes

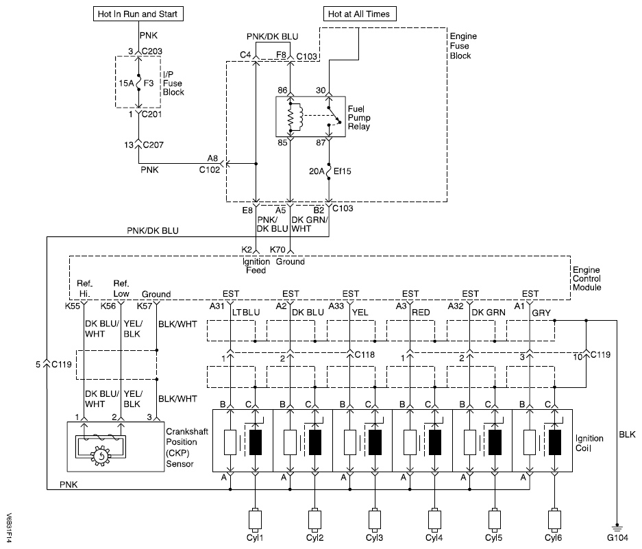
Fig 1: Ignition System Check - Wiring Diagram
G04718715Courtesy of SUZUKI OF AMERICA CORP.