LEMON Manuals: Even more car manuals for everyone
Home >> Suzuki >> 2006 >> Verona Base >> Repair and Diagnosis >> Engine Performance >> System >> Engine Control System - Introduction >> Schematic and Routing Diagram >> ECM Wiring Diagram

ECM Wiring Diagram

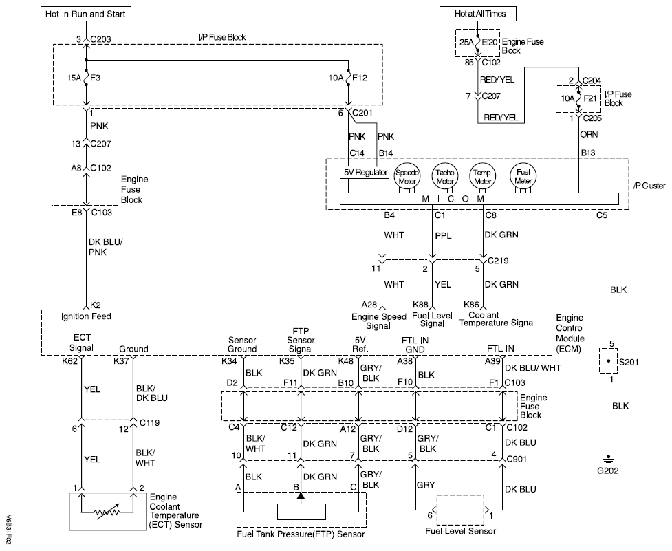
Fig 1: ECM Wiring Diagram (1 Of 7)
G04718604Courtesy of SUZUKI OF AMERICA CORP.
Fig 2: ECM Wiring Diagram (2 Of 7)
G04718605Courtesy of SUZUKI OF AMERICA CORP.
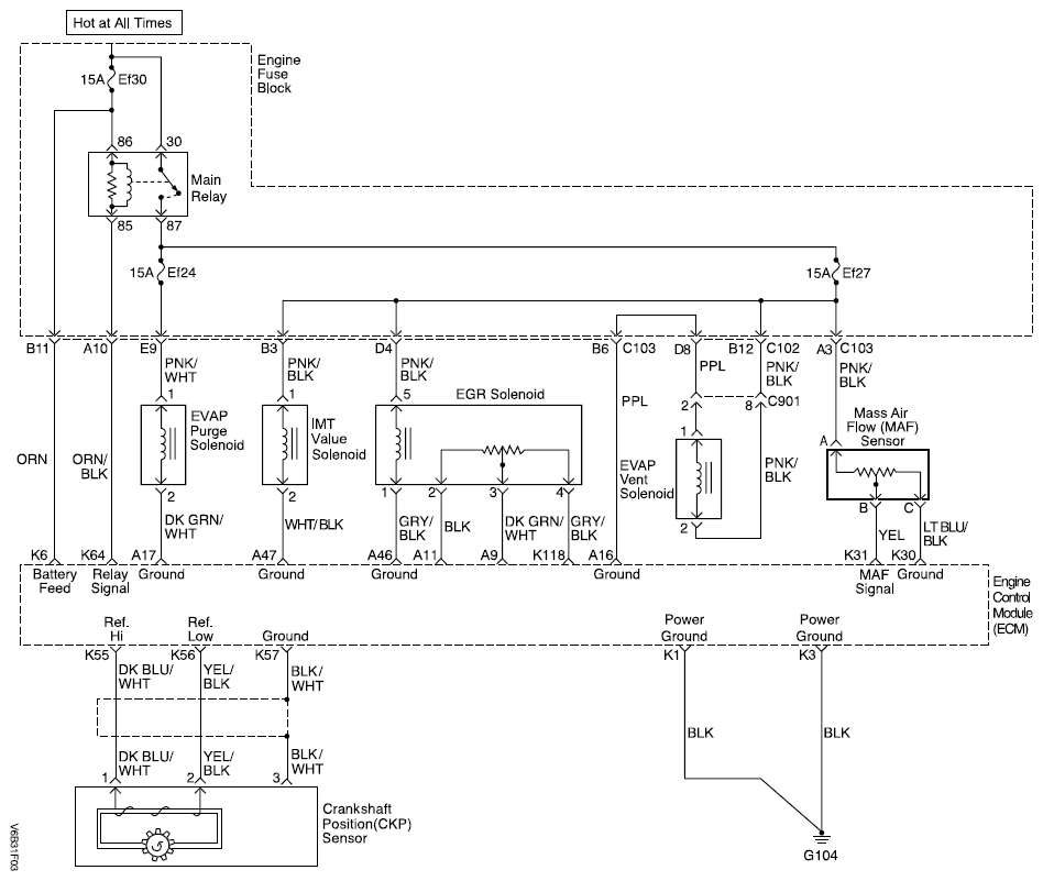
Fig 3: ECM Wiring Diagram (3 Of 7)
G04718606Courtesy of SUZUKI OF AMERICA CORP.
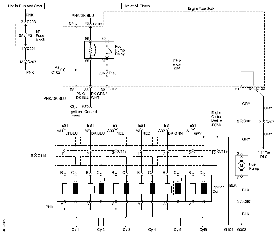
Fig 4: ECM Wiring Diagram (4 Of 7)
G04718607Courtesy of SUZUKI OF AMERICA CORP.
Fig 5: ECM Wiring Diagram (5 Of 7)
G04718608Courtesy of SUZUKI OF AMERICA CORP.
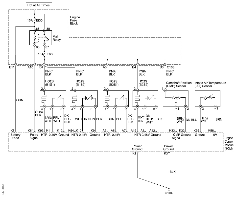
Fig 6: ECM Wiring Diagram (6 Of 7)
G04718609Courtesy of SUZUKI OF AMERICA CORP.
Fig 7: ECM Wiring Diagram (7 Of 7)
G04718610Courtesy of SUZUKI OF AMERICA CORP.