LEMON Manuals: Even more car manuals for everyone
Home >> Suzuki >> 2006 >> Verona Base >> Repair and Diagnosis >> Engine Performance >> System >> Engine Control System - DTC P0221 Through P0459 >> DTC P0300: Engine Misfire Detected >> Notes

DTC P0300: Engine Misfire Detected: Notes

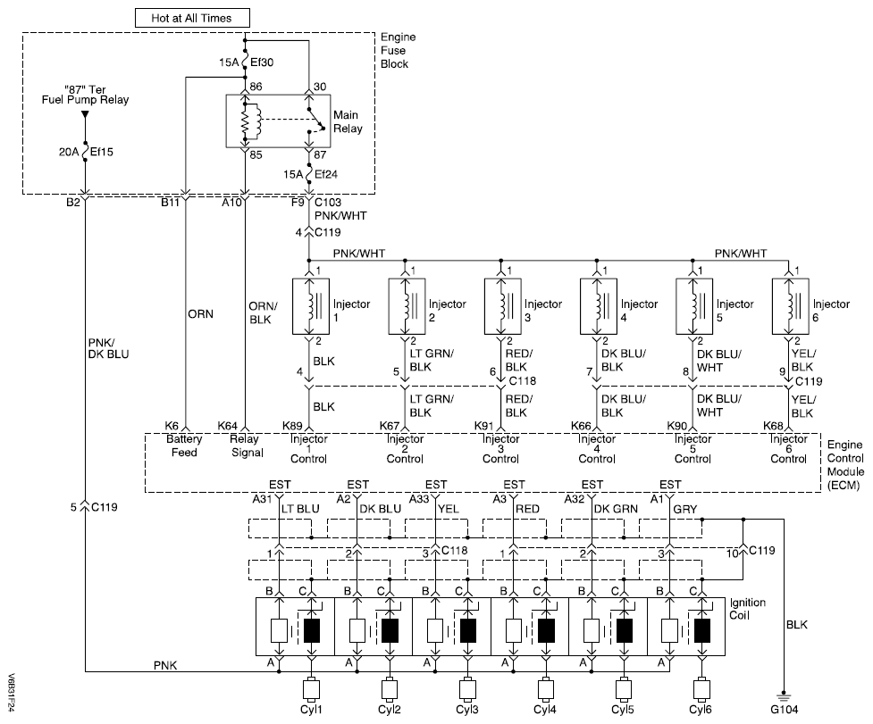
Fig 1: Engine Misfire Detected - Wiring Diagram
G04718701Courtesy of SUZUKI OF AMERICA CORP.