LEMON Manuals: Even more car manuals for everyone
Home >> Suzuki >> 2006 >> Verona Base >> Repair and Diagnosis >> Engine Performance >> System >> Engine Control System - DTC P0461 Through U0121 >> DTC P2098: Post Catalyst Fuel Trim System Low Limit Bank 2 >> Notes

DTC P2098: Post Catalyst Fuel Trim System Low Limit Bank 2: Notes

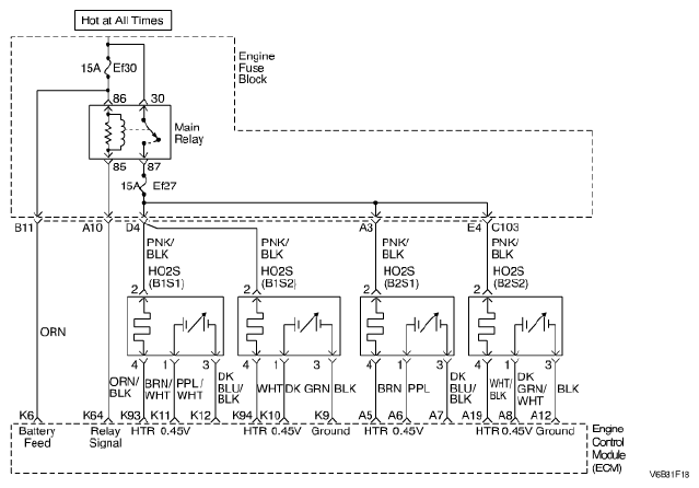
Fig 1: Post Catalyst Fuel Trim System Low Limit Bank 2 - Wiring Diagram
G04718635Courtesy of SUZUKI OF AMERICA CORP.