LEMON Manuals: Even more car manuals for everyone
Home >> Suzuki >> 2006 >> Verona Base >> Repair and Diagnosis >> Engine Performance >> System >> Engine Control System - DTC P0461 Through U0121 >> DTC P0500: Vehicle Speed Sensor (VSS) Circuit >> Notes

DTC P0500: Vehicle Speed Sensor (VSS) Circuit: Notes

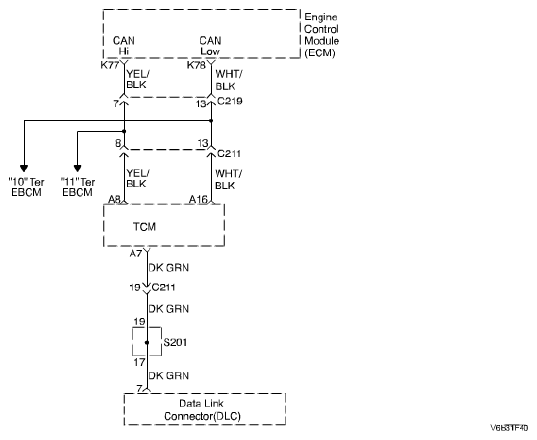
Fig 1: Vehicle Speed Sensor (VSS) Circuit - Wiring Diagram
G04718744Courtesy of SUZUKI OF AMERICA CORP.