LEMON Manuals: Even more car manuals for everyone
Home >> Suzuki >> 2006 >> Reno Base, Standard >> Repair and Diagnosis >> Engine Performance >> Engine Control Systems >> Engine Performance - System And Component Ch ECKS, Special Tools And Equipment >> Engine Cooling Fan Circuit Check - Dual Fan >> Notes

Engine Cooling Fan Circuit Check - Dual Fan: Notes

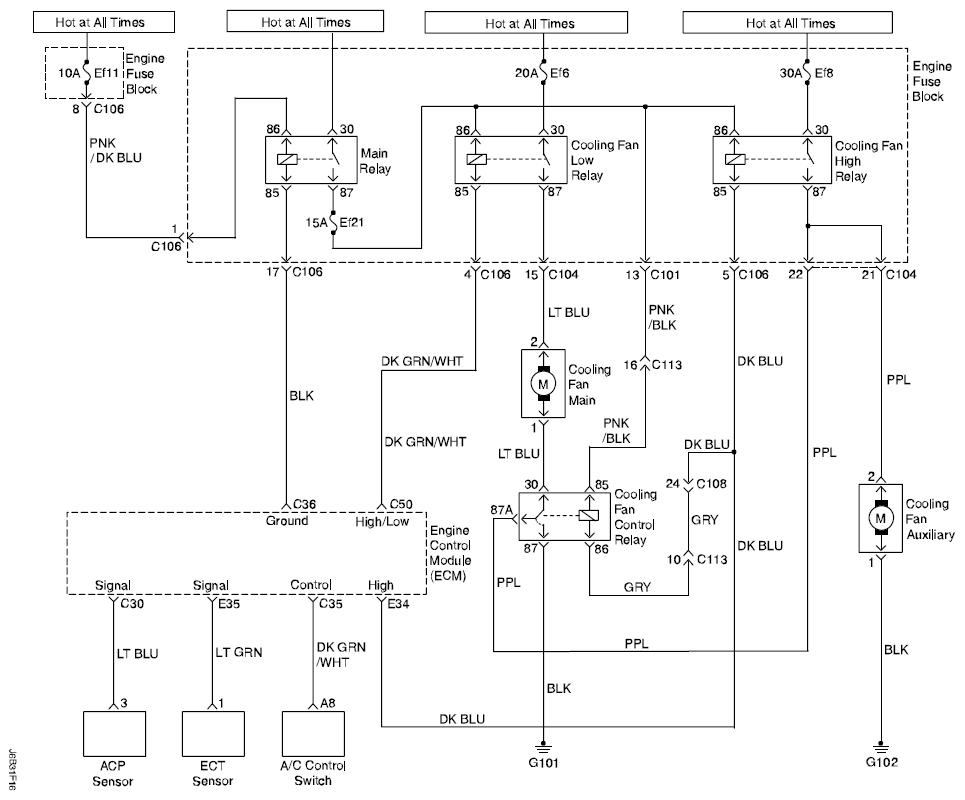
Fig 1: Engine Cooling Fan (Dual Fan) - Circuit Diagram
G04716336Courtesy of SUZUKI OF AMERICA CORP.