LEMON Manuals: Even more car manuals for everyone
Home >> Suzuki >> 2006 >> Reno Base, Automatic >> Repair and Diagnosis >> Engine Performance >> Engine Control Systems >> Engine Performance - Diagnostics - Introduction >> Schematic & Routing Diagram >> ECM Wiring Diagram (For HATCHBACK Model) - 4/7

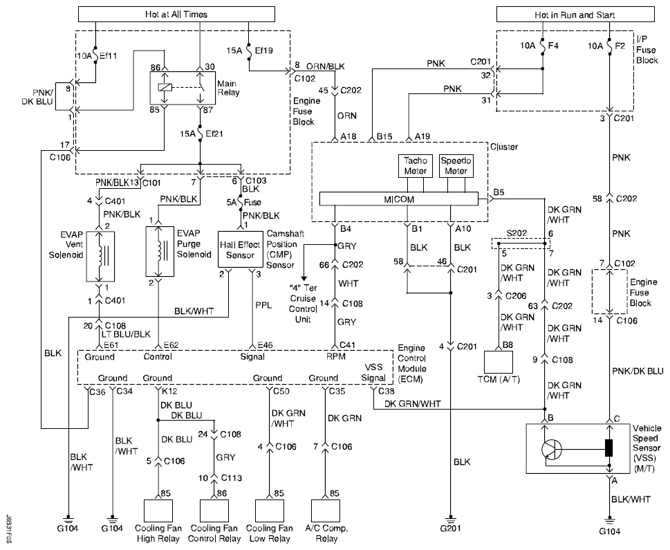
ECM Wiring Diagram (For HATCHBACK Model) - 4/7

Fig 1: ECM Wiring Diagram (For Hatchback Model) - 4/7
G04716199Courtesy of SUZUKI OF AMERICA CORP.