LEMON Manuals: Even more car manuals for everyone
Home >> Suzuki >> 2004 >> Swift + >> Repair and Diagnosis >> Quick Lookups >> Wiring Diagrams >> Wiring Systems - Specifications, Component Views And Connector End Views >> Schematic and Routing Diagrams >> Ground Distribution Schematics

Ground Distribution Schematics

Fig 1: G101, G102, and G105 Schematics
GM1456565Courtesy of GENERAL MOTORS CORP.
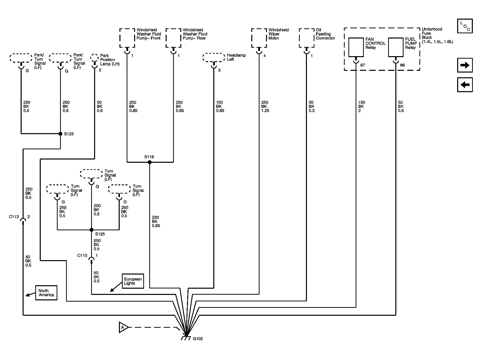
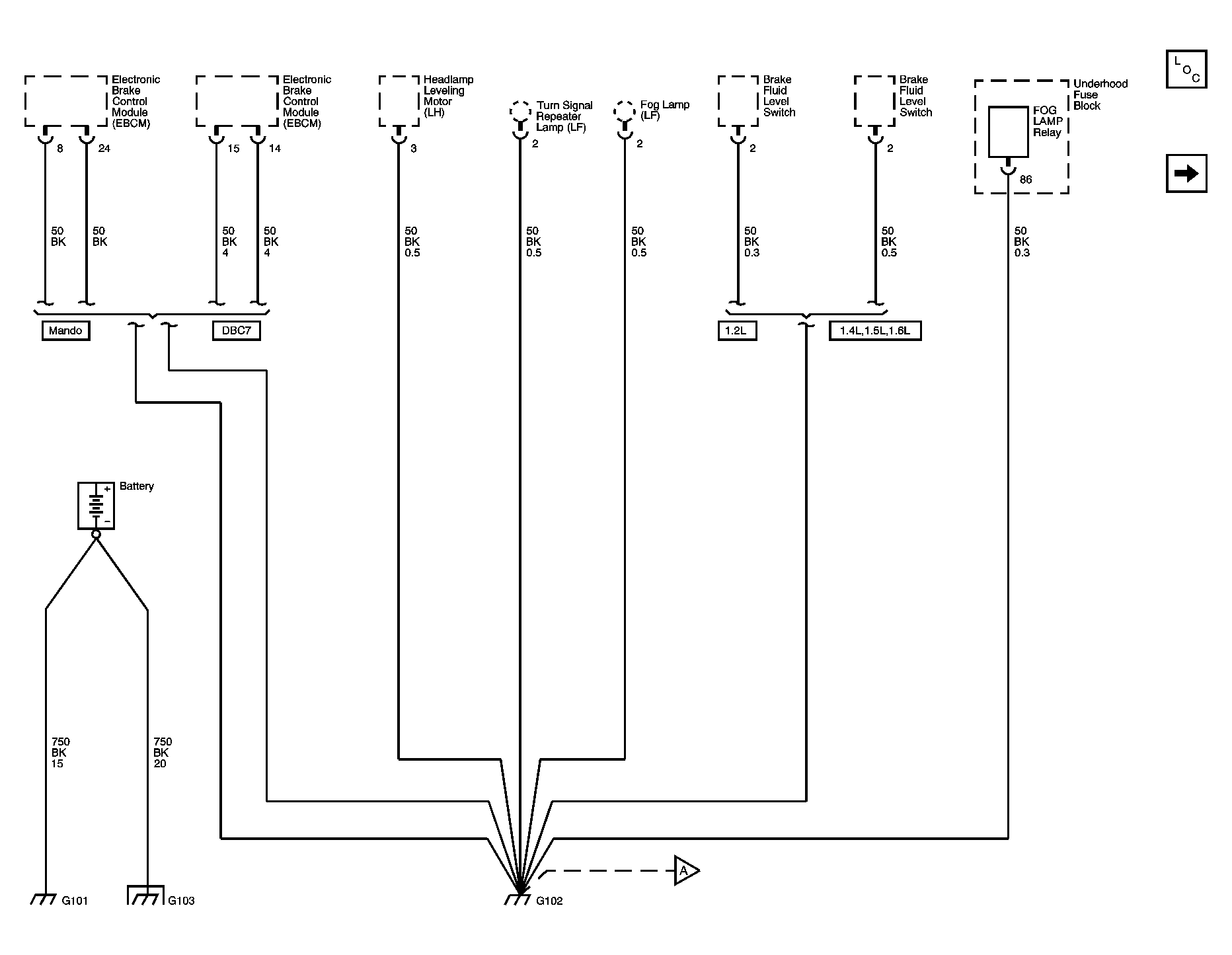
Fig 2: G102 Schematics
GM1456568Courtesy of GENERAL MOTORS CORP.
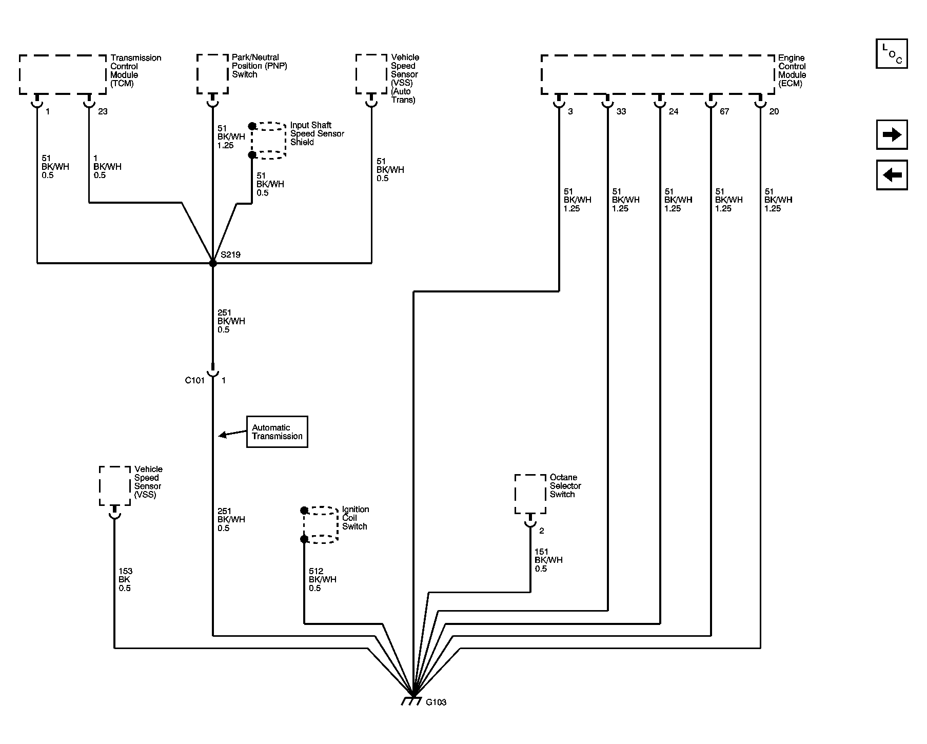
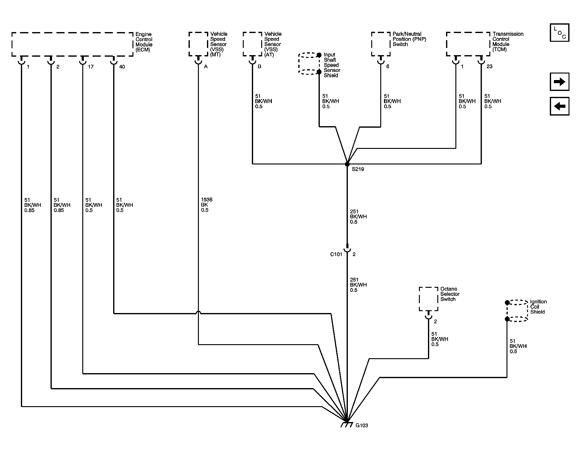
Fig 3: G103 ( Sirius D4) Schematics
GM1456560Courtesy of GENERAL MOTORS CORP.
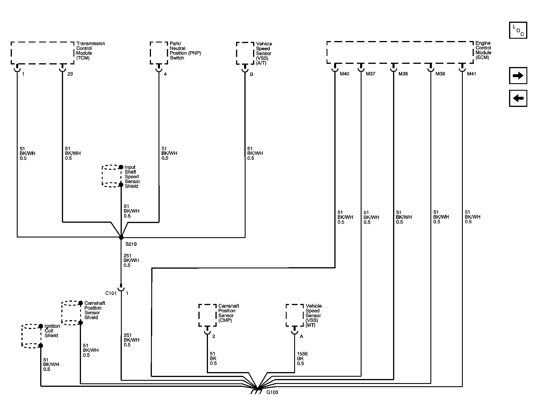
Fig 4: G103 (MR - 140) Schematics
GM1456575Courtesy of GENERAL MOTORS CORP.
Fig 5: G103 (HV - 240) Schematics
GM1456573Courtesy of GENERAL MOTORS CORP.
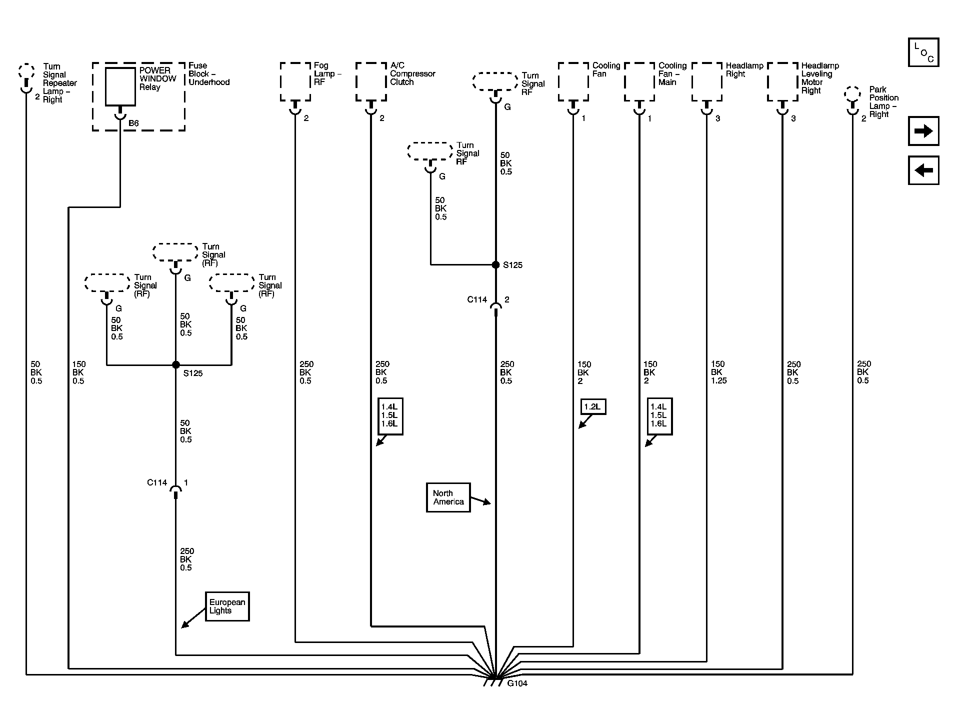
Fig 6: G104 Schematics
GM1456571Courtesy of GENERAL MOTORS CORP.
Fig 7: G202 Schematics
GM1456579Courtesy of GENERAL MOTORS CORP.
Fig 8: G202 Schematics
GM1456580Courtesy of GENERAL MOTORS CORP.
Fig 9: G201, G202 Schematics
GM1456581Courtesy of GENERAL MOTORS CORP.
Fig 10: G301 (LHD) Schematics
GM1456576Courtesy of GENERAL MOTORS CORP.
Fig 11: G301 (RHD) Schematics
GM1456578Courtesy of GENERAL MOTORS CORP.
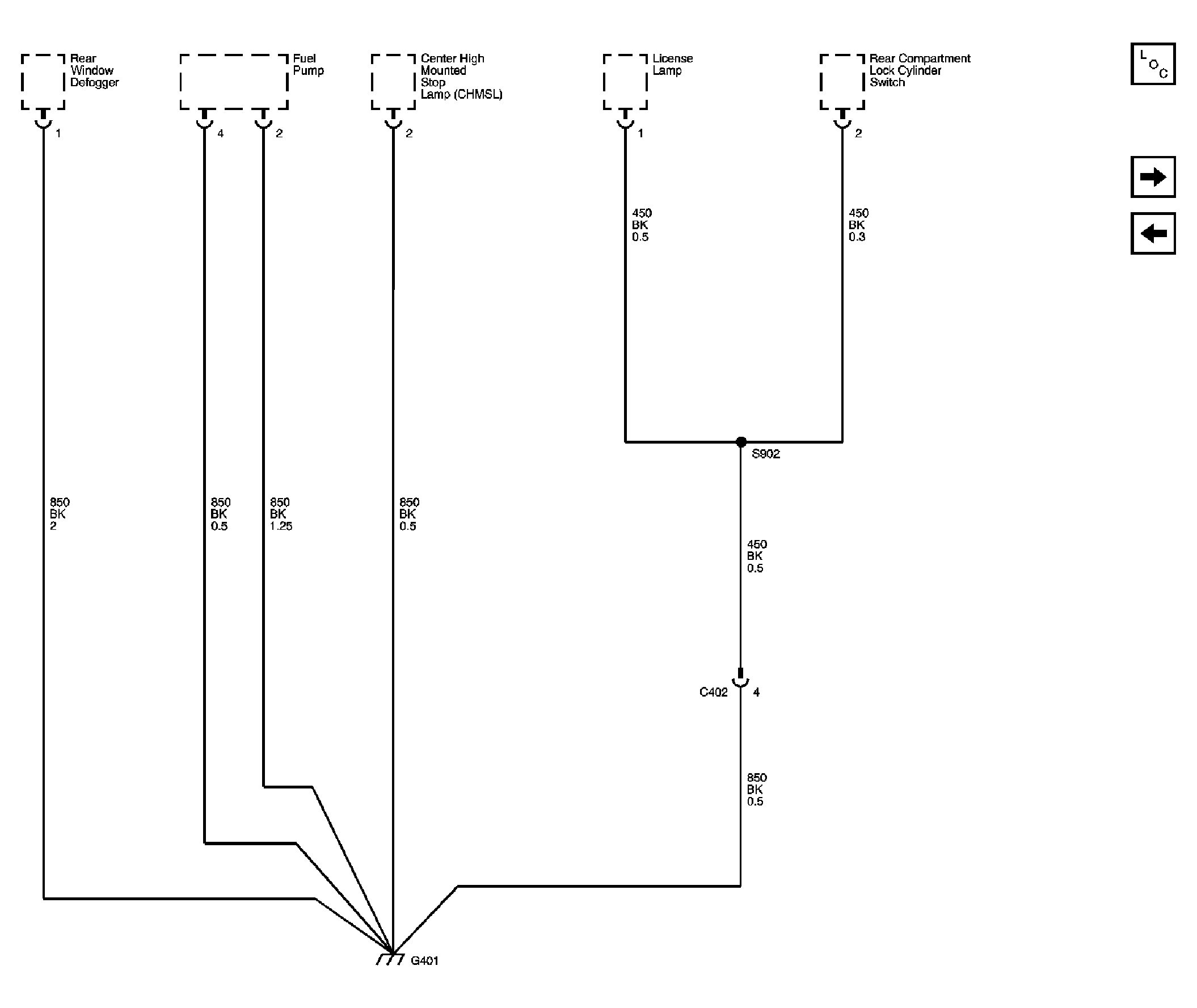
Fig 12: G401 Notchback Schematics
GM1456564Courtesy of GENERAL MOTORS CORP.
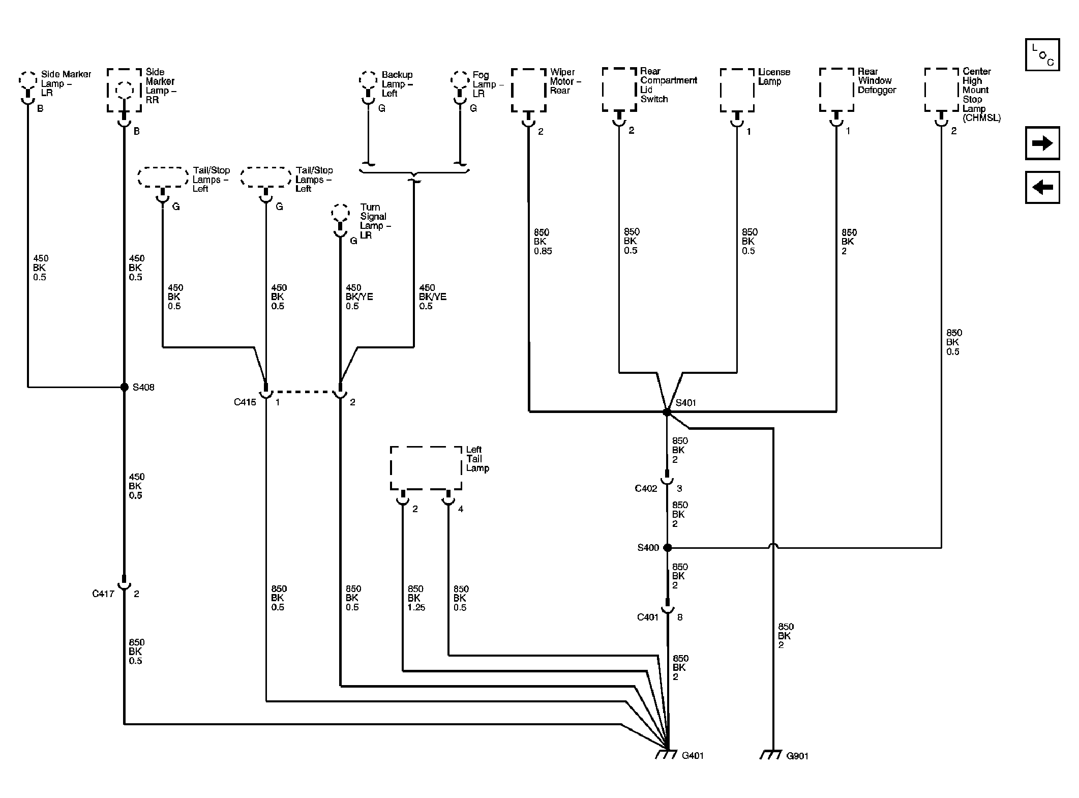
Fig 13: G401 (Hatchback) / G901 Schematics
GM1456562Courtesy of GENERAL MOTORS CORP.
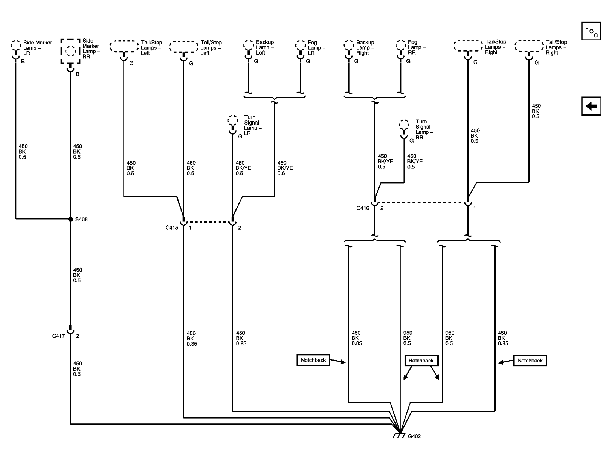
Fig 14: G402 (Hatchback and Notchback Schematics
GM1456553Courtesy of GENERAL MOTORS CORP.