LEMON Manuals: Even more car manuals for everyone
Home >> Suzuki >> 2000 >> Swift GA, Standard >> Repair and Diagnosis >> Electrical >> Starters >> Overhaul

Repair and Diagnosis: Electrical: Starters: Overhaul

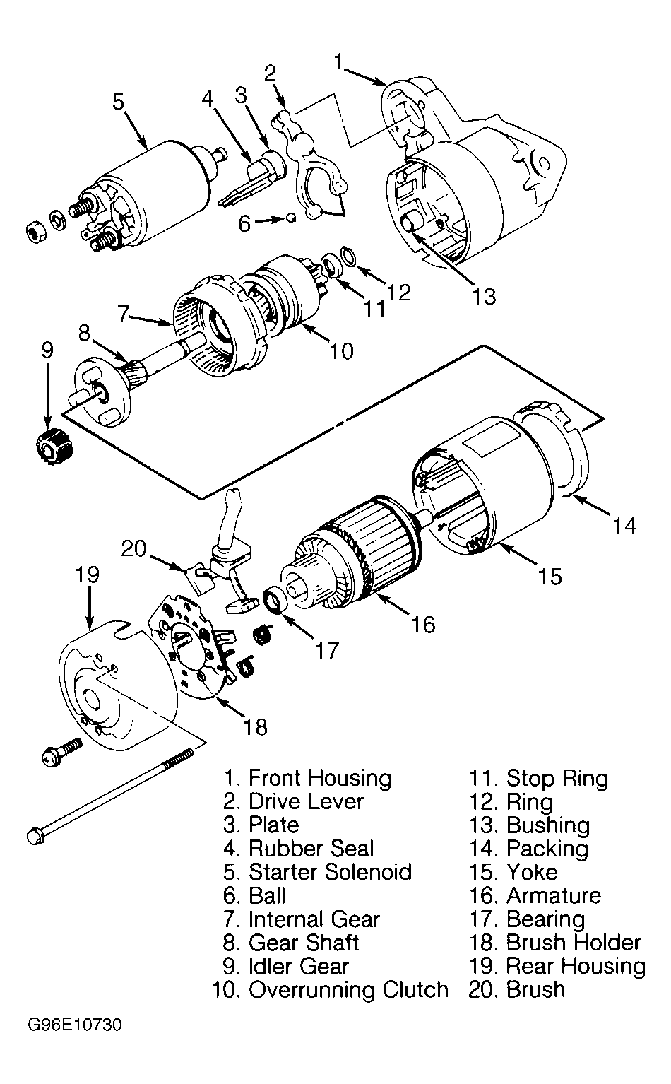
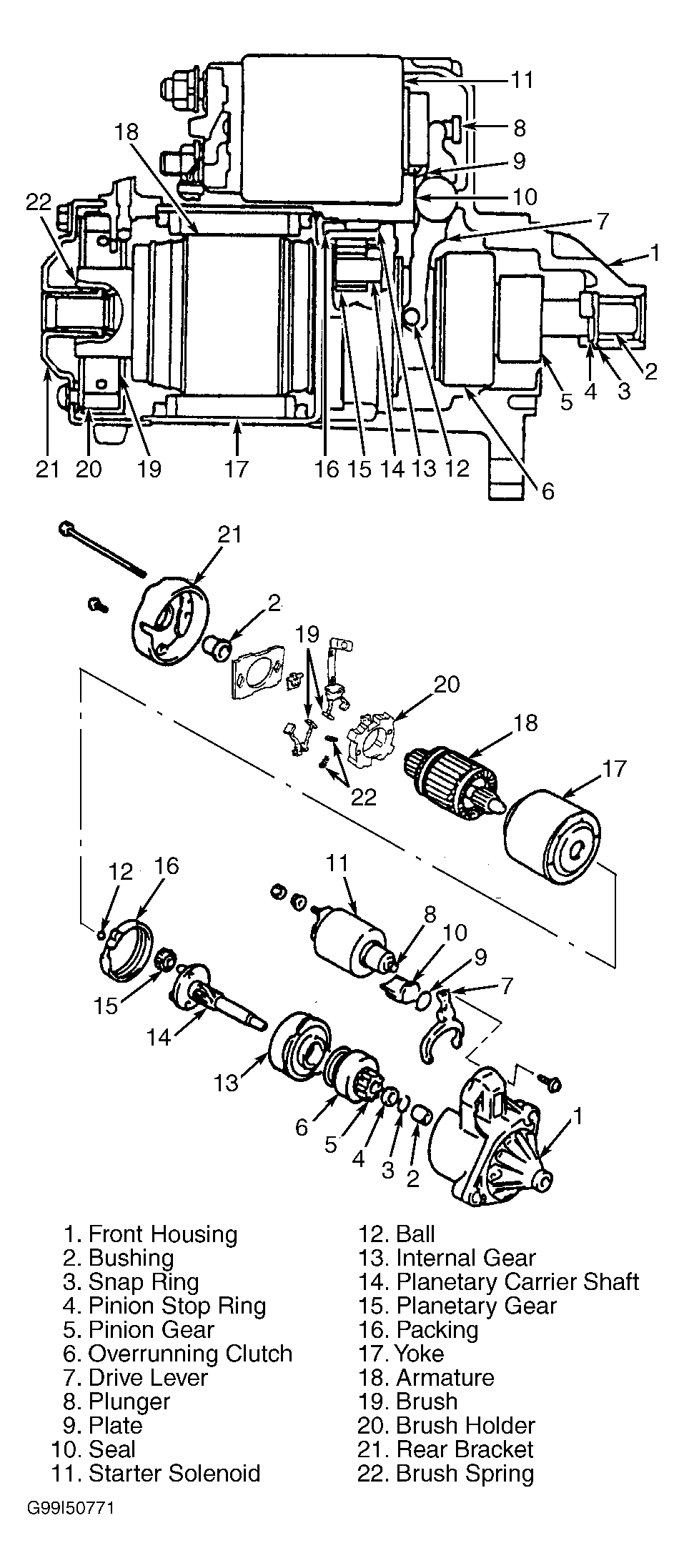
NOTE: See Fig 1 , Fig 2 or Fig 3 for starter overhaul.
Fig 1: Exploded View Of Starter (Esteem & Swift With A/T)
G96E10730Courtesy of SUZUKI OF AMERICA CORP.
Fig 2: Exploded View Of Starter (Grand Vitara & Vitara)
G99I50771Courtesy of SUZUKI OF AMERICA CORP.
Fig 3: Exploded View Of Starter (Swift With M/T)
G96F10731Courtesy of SUZUKI OF AMERICA CORP.