LEMON Manuals: Even more car manuals for everyone
Home >> Suzuki >> 1991 >> Sidekick JS >> Repair and Diagnosis >> Engine Performance >> System >> Engine Controls - Tests W/Codes >> Diagnostic Flow Charts >> Chart A2 - Check Engine Light Inoperative

Chart A2 - Check Engine Light Inoperative

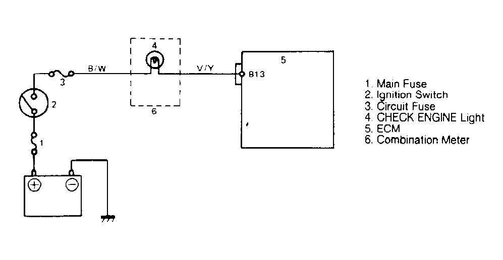
Fig 1: Chart A2 Schematic, Check Eng. Light Inoperative
G91D18484Courtesy of SUZUKI OF AMERICA CORP.
Fig 2: Chart A2 Flow Chart, Check Eng. Light Inoperative
G91E18485Courtesy of SUZUKI OF AMERICA CORP.