LEMON Manuals: Even more car manuals for everyone
Home >> Suzuki >> 1991 >> Samurai JS >> Repair and Diagnosis >> External Pages >> Different car >> Section 13 (Glass/Windows/Mirrors) >> Schematic and Routing Diagram >> Moveable Window Schematics

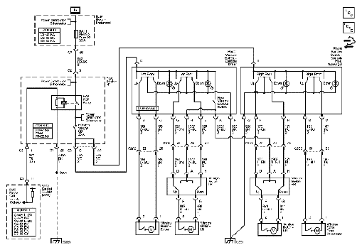
Moveable Window Schematics

WARNING: This page is about a different car, the 2007 Suzuki XL7. However, it is still accessible from the selected car via links, so may be relevant.
Fig 1: Identifying Moveable Window Schematics Schematic Circuit Diagram
G04845218Courtesy of SUZUKI OF AMERICA CORP.