LEMON Manuals: Even more car manuals for everyone
Home >> Suzuki >> 1991 >> Samurai JS >> Repair and Diagnosis >> Engine Performance >> System >> Engine Controls - Tests W/Codes >> Fault Code Flow Charts >> Code 13 - Oxygen Sensor Circuit

Code 13 - Oxygen Sensor Circuit

NOTE: Before diagnosing trouble according to flow chart given below, check to make sure that following system and parts other than Electronic Fuel Injection system are in good condition.

If code No. 13 and another code No. are indicated together, the latter has priority. Therefore, check and correct what is represented by that code No. first and then proceed to the following check.

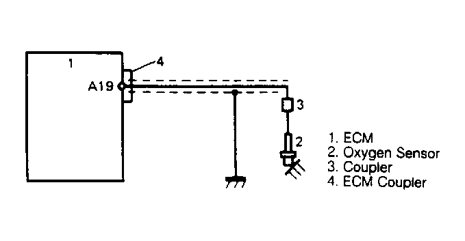
Fig 1: Code 13 Schematic, O2 Sensor Circuit
G91C18434Courtesy of SUZUKI OF AMERICA CORP.
Fig 2: Code 13 Flow Chart, O2 Sensor Circuit
G91D18435Courtesy of SUZUKI OF AMERICA CORP.