LEMON Manuals: Even more car manuals for everyone
Home >> Suzuki >> 1991 >> Samurai JS >> Repair and Diagnosis >> Engine Performance >> System >> Engine Controls - Tests W/Codes >> Diagnostic Flow Charts >> Chart A2 - Check Engine Light Inoperative

Chart A2 - Check Engine Light Inoperative

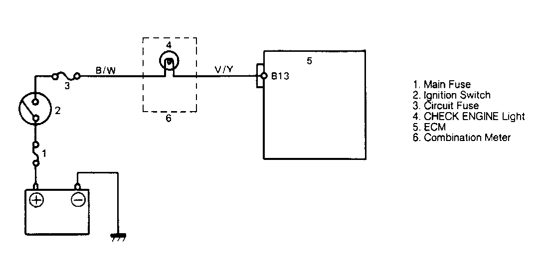
Fig 1: Code A2 Schematic, Check Engine Light Inoperative
G91A18432Courtesy of SUZUKI OF AMERICA CORP.
Fig 2: Code A2 Flow Chart, Check Engine Light Inoperative
G91B18433Courtesy of SUZUKI OF AMERICA CORP.