LEMON Manuals: Even more car manuals for everyone
Home >> Suzuki >> 1987 >> Samurai Base >> Repair and Diagnosis >> External Pages >> Different car >> Section 13 (Wiring Systems) >> Schematic And Routing Diagram >> Ground Distribution Schematics

Ground Distribution Schematics

WARNING: This page is about a different car, the 2007 Suzuki XL7. However, it is still accessible from the selected car via links, so may be relevant.
Fig 1: G101 Schematic
GM1754195Courtesy of GENERAL MOTORS CORP.
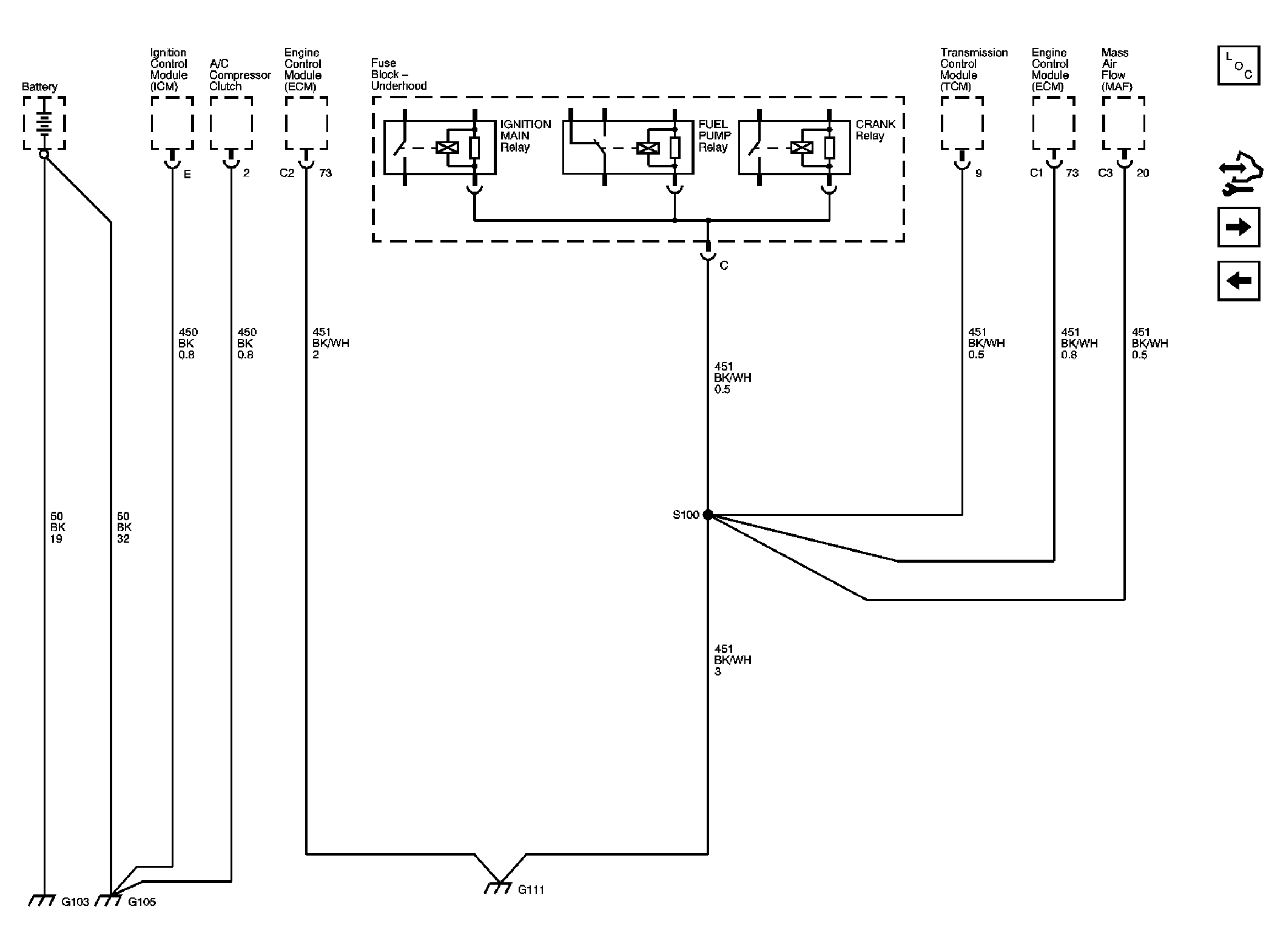
Fig 2: G103, G105, G111 Schematic
GM1754196Courtesy of GENERAL MOTORS CORP.
Fig 3: G201 Schematic
GM1754204Courtesy of GENERAL MOTORS CORP.
Fig 4: G203, G205, G207 Schematic
GM1754205Courtesy of GENERAL MOTORS CORP.
Fig 5: G301 Schematic
GM1754206Courtesy of GENERAL MOTORS CORP.
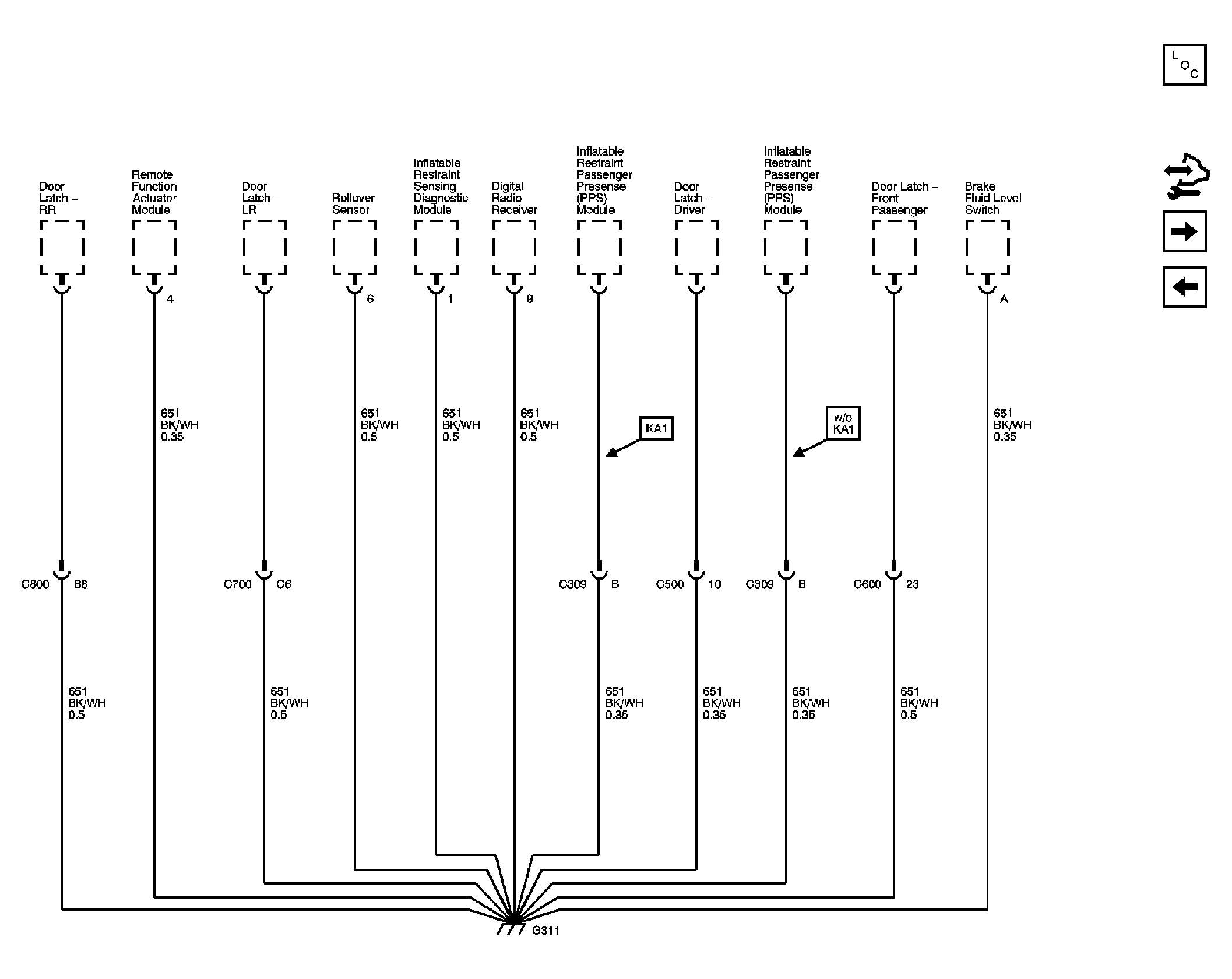
Fig 6: G311 Schematic
GM1754207Courtesy of GENERAL MOTORS CORP.
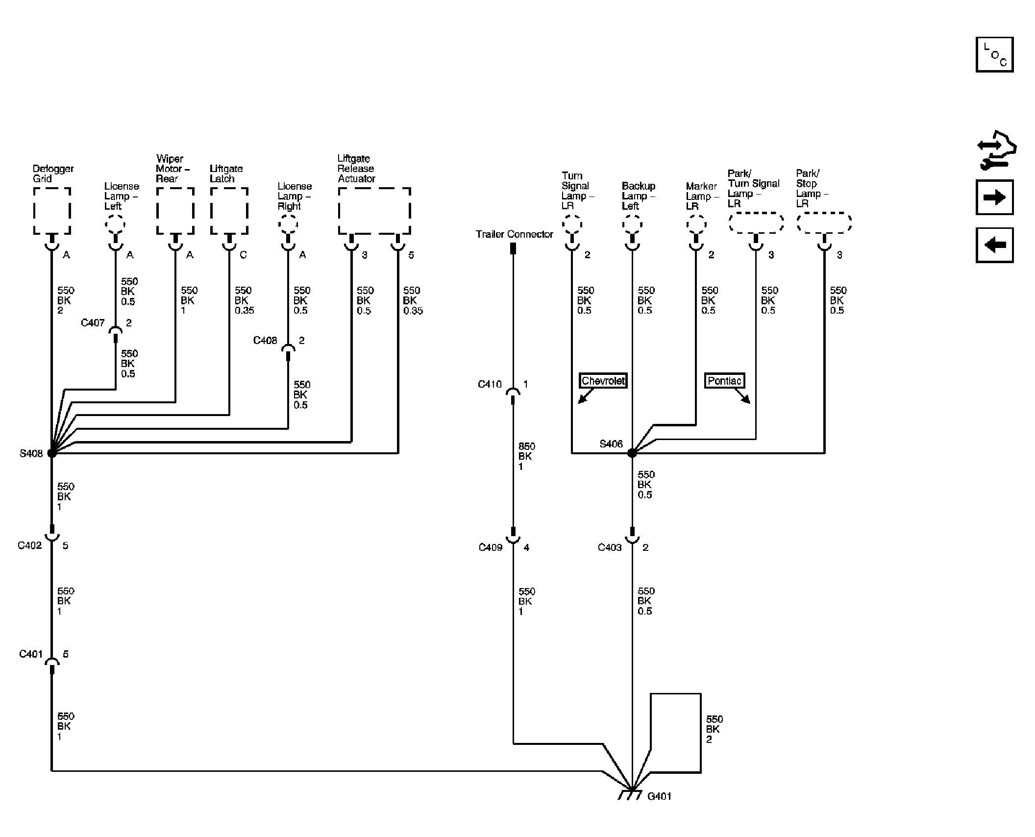
Fig 7: G401 Schematic
GM1754208Courtesy of GENERAL MOTORS CORP.
Fig 8: G403 Schematic
GM1754209Courtesy of GENERAL MOTORS CORP.