LEMON Manuals: Even more car manuals for everyone
Home >> Subaru >> 2025 >> Outback Base >> Repair and Diagnosis >> Accessories & Equipment >> Memory Modules >> Power Seat Memory System (Diagnostics) >> Diagnostic Procedure with Diagnostic Trouble Code (DTC) >> DTC B2605: Battery Control Low

DTC B2605: Battery Control Low

DTC detecting condition: 

When low voltage (9 V or less) or high voltage (16 V or more) continues for 10 seconds.

Trouble symptom: 

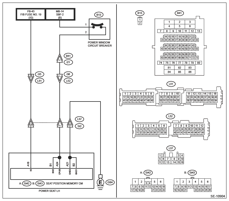
Wiring diagram: 

Power seat system Ref. to WIRING SYSTEM>POWER SEAT SYSTEM>WIRING DIAGRAM .

G16395172Courtesy of SUBARU OF AMERICA, INC.
CAUTION: Before performing diagnosis, refer to "CAUTION" in "General Description". Ref. to POWER SEAT MEMORY (DIAGNOSTICS)>GENERAL DESCRIPTION>CAUTION .
  1. CHECK DTC  .
    1. Turn the ignition switch to ON.
    2. Read the DTC of [Power Seat Memory] using the Subaru Select Monitor. Ref. to POWER SEAT MEMORY (DIAGNOSTICS)>DIAGNOSTIC TROUBLE CODE (DTC) .

    Is a DTC other than DTC B2605 displayed? (Current malfunction)

    Yes:  Perform the diagnosis for the displayed DTCs.

    No:  Go to  2.

  2. CHECK DTC  .

    Make sure that DTC B2605 is not displayed as past malfunction.

    Is DTC B2605 displayed? (Past malfunction)

    Yes:  Perform the memory recall after re-registering the memory.

    No:  Go to  3.

  3. CHECK POWER SEAT CONTROL MODULE  .

    Using the Subaru Select Monitor, check the following items in the [Data monitor] of [Power Seat Memory]. Ref. to POWER SEAT MEMORY (DIAGNOSTICS)>DATA MONITOR .

    • Battery Voltage

    Is the voltage 8 - 16 [V]?

    Yes:  Go to  5.

    No:  Go to  4.

  4. CHECK HARNESS (OPEN CIRCUIT)  .
    1. Turn the ignition switch to OFF.
    2. Disconnect the seat position memory Control Module connector.
    3. Turn the ignition switch to ON.
    4. Using a tester, measure the voltage between the seat position memory Control Module connector and chassis ground.

      Connector & terminal 

      (St42) No. 18 (+) - Chassis ground (-):

      (St42) No. 24 (+) - Chassis ground (-):

      (St43) No. 1 (+) - Chassis ground (-):

    Is the voltage 8 - 16 V?

    Yes:  Replace the seat position memory Control Module. Ref. to SEATS>POWER SEAT SYSTEM .

    No:  Repair the open circuit of harness between the seat position memory Control Module connector and fuse.

  5. CHECK BATTERY VOLTAGE  .

    Measure the battery voltage while the power seat is in operation.

    Is the voltage 8 - 16 V?

    Yes:  Ask the user if the power window or passenger's power seat was operated or cranking was performed while the driver's power seat was in operation.

    NOTE: Even when the battery voltage is normal under ordinary circumstance, the voltage may drop to 7.5 V or less in some cases, for example at cranking.

    No:  Check the battery. Ref. to STARTING/CHARGING SYSTEMS (H4DO)>BATTERY . Ref. to STARTING/CHARGING SYSTEMS (H4DOTC)>BATTERY .