LEMON Manuals: Even more car manuals for everyone
Home >> Subaru >> 2024 >> Outback Base >> Repair and Diagnosis (Single Page) >> Engine Performance >> System >> Engine Control System (2.5L) (Diagnostics) (4 Of 4) >> Diagnostic Procedure with Diagnostic Trouble Code (DTC) >> DTC P2401: EVAP System Leak Detection Pump Control Circuit Low >> General Description >> Component Description

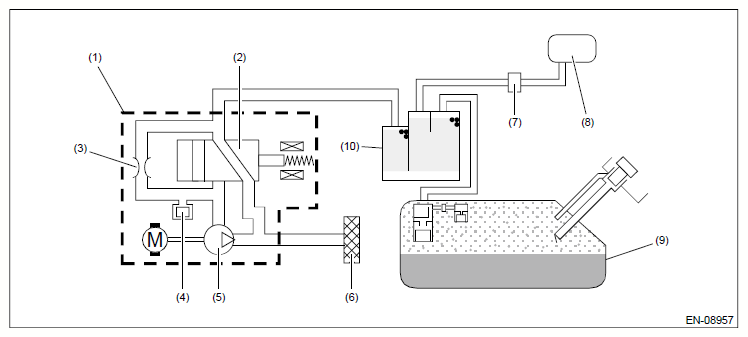
Component Description

G10410059Courtesy of SUBARU OF AMERICA, INC.
(1) Leak check valve ASSY
(2) Switching valve
(3) Reference orifice (0.02 inch orifice)
(4) Pressure sensor
(5) Vacuum pump
(6) Drain filter
(7) Purge control solenoid valve
(8) Intake manifold
(9) Fuel tank
(10) Canister