LEMON Manuals: Even more car manuals for everyone
Home >> Subaru >> 2024 >> Impreza Base >> Repair and Diagnosis >> Accessories & Equipment >> Communication Devices >> Front Relay Control Module (Diagnostics) >> General Description >> System Block Diagram

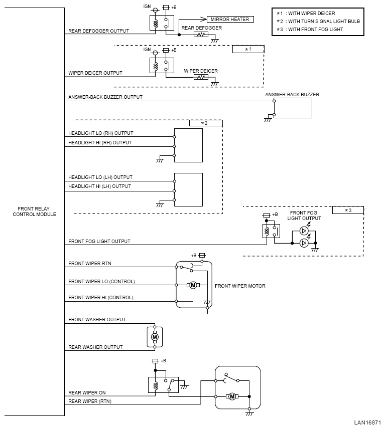
System Block Diagram

G14615495Courtesy of SUBARU OF AMERICA, INC.
G16771555Courtesy of SUBARU OF AMERICA, INC.