LEMON Manuals: Even more car manuals for everyone
Home >> Subaru >> 2024 >> Ascent Base >> Repair and Diagnosis >> Engine Performance >> System >> Engine Control System (Diagnostics - Introduction) >> General Description >> System Block Diagram

System Block Diagram

G13202292Courtesy of SUBARU OF AMERICA, INC.
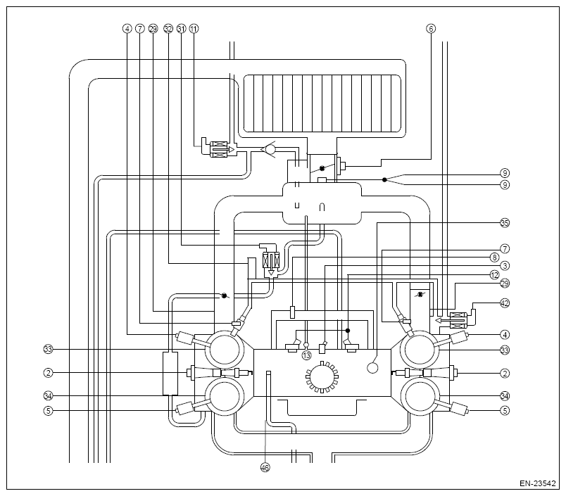
G16390295Courtesy of SUBARU OF AMERICA, INC.
(1) Engine control module
(2) Ignition coil and Electronic ignition
(3) Crankshaft position sensor
(4) Intake camshaft position sensor
(5) Exhaust camshaft position sensor
(6) Electronic control throttle
(7) Direct fuel injector
(8) Engine coolant temperature sensor
(9) Manifold absolute pressure sensor & Intake air
(10) Intake air temperature sensor & Mass airflow sensor
(11) EVAP canister purge valve
(12) Knock sensor
(13) Positive crankcase ventilation valve
(14) Air cleaner
(15) EVAP Canister
(16) Ignition relay
(17) Fuel pump relay
(18) Fuel filter
(19) Fuel pump
(20) Front catalyst
(21) Rear catalyst
(22) Primary oxygen sensor
(23) Secondary oxygen sensor
(24) Resonator chamber
(25) Radiator fan control relay
(26) Radiator fan
(27) Park/neutral position switch
(28) Malfunction indicator light
(29) Tumble generator valve motors & tumble generator valve position sensor
(30) Fuel level sensor
(31) Electronically controlled EGR
(32) High pressure fuel pressure sensor
(33) Oil control valve for in-VVT
(34) Oil control valve for ex-VVT
(35) Engine oil temperature sensor
(36) Intercooler
(37) Accelerator pedal position sensor
(38) Evaporative leak check module
(39) Drain filter
(40) Electronically air by-pass valve
(41) Fuel pump controller
(42) High pressure fuel pump
(43) Turbocharger
(44) Electronically wastegate valve
(45) EGR Cooler
(46) Connectors for detecting electrical continuity
(47) EVAP absolute pressure sensor
(48) Integrated control unit
(49) Transmission control unit
(50) Radiator fan control unit
(51) ABS unit or VDC unit
(52) T/M control unit (CVT)
(53) Car speed
G16344831Courtesy of SUBARU OF AMERICA, INC.
(1) Electronic Control Unit
(2) Starter
(3) Fuel Tank
(4) Air Flow Meter
(5) Direct Fuel Injector
(6) Cam Angle Sensor
(7) Oxygen Sensor
(8) A/F Sensor
(9) High-pressure fuel pump
(10) Coolant Temperature Sensor
(11) Manifold Pressure Sensor
(12) Throttle Body
(13) Cam Angle Sensor
(14) Fuel Pressure Sensor
(15) Direct Fuel Injector
(16) Crank Angle Sensor
(17) Fuel Filter
(18) Pressure Regulator
(19) Low Pressure Fuel Pump