LEMON Manuals: Even more car manuals for everyone
Home >> Subaru >> 2023 >> WRX Base, Standard Trans >> Repair and Diagnosis >> Engine Performance >> System >> Engine Control System (Diagnostics) (3 Of 4) >> Diagnostic Procedure with Diagnostic Trouble Code (DTC) >> DTC P2009: TGV Control Circuit Low Bank 1 >> General Description >> Component Description

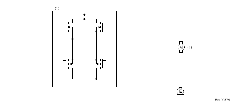
Component Description

G16542262Courtesy of SUBARU OF AMERICA, INC.
(1) Engine control module (ECM)
(2) Tumble generator valve