LEMON Manuals: Even more car manuals for everyone
Home >> Subaru >> 2023 >> WRX Base, Standard Trans >> Repair and Diagnosis >> Engine Performance >> System >> Engine Control System (Diagnostics) (3 Of 4) >> Diagnostic Procedure with Diagnostic Trouble Code (DTC) >> DTC P1498: Coil 4 EGR "A" Control Circuit Low >> Notes

DTC P1498: Coil 4 EGR "A" Control Circuit Low: Notes

DTC detecting condition: 

Immediately at fault recognition

Trouble symptom: 

CAUTION: Use the check board when measuring the ECM terminal voltage and resistance. Ref. to ENGINE (DIAGNOSTICS) (H4DOTC)>GENERAL DESCRIPTION>PREPARATION TOOL>HOW TO USE CHECK BOARD .
NOTE: After the faulty parts are repaired or replaced, perform the final check in Basic Diagnostic Procedure. Ref. to ENGINE (DIAGNOSTICS) (H4DOTC)>BASIC DIAGNOSTIC PROCEDURE>PROCEDURE .

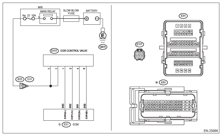
Wiring diagram: 

Engine Electrical System Ref. to WIRING SYSTEM>ENGINE ELECTRICAL SYSTEM .

G14614620Courtesy of SUBARU OF AMERICA, INC.
  1. CHECK EGR CONTROL VALVE POWER SUPPLY  .
    1. Turn the ignition switch to OFF.
    2. Disconnect the connector from the EGR control valve.
    3. Turn the ignition switch to ON.
    4. Measure the voltage between EGR control valve connector and engine ground.

      Connector & terminal 

      (E117) No. 2 (+) - Engine ground (-):

      (E117) No. 5 (+) - Engine ground (-):

    Is the voltage 10 V or more?

    Yes:  Go to  2.

    No:  Repair the following item.

    • Open circuit in harness between EGR control valve and M/B
    • Poor contact of coupling connector
    • Blown out of fuse
  2. CHECK HARNESS BETWEEN ECM AND EGR CONTROL VALVE CONNECTOR (OPEN)  .
    1. Turn the ignition switch to OFF.
    2. Disconnect the connector from ECM.
    3. Measure the resistance between ECM connector and EGR control valve connector.

      Connector & terminal 

      DTC P1492; (E51) No. 62 - (E117) No. 3:

      DTC P1494; (E51) No. 60 - (E117) No. 1:

      DTC P1496; (E51) No. 61 - (E117) No. 4:

      DTC P1498; (E51) No. 59 - (E117) No. 6:

    Is the resistance less than 1 Ω?

    Yes:  Go to  3.

    No:  Repair the open circuit of the harness between the ECM connector and EGR control valve connector.

  3. CHECK HARNESS BETWEEN ECM AND EGR CONTROL VALVE CONNECTOR (SHORT TO GROUND)  .

    Measure the resistance between the ECM connector and engine ground.

    Connector & terminal 

    DTC P1492; (E51) No. 62 - Engine ground:

    DTC P1494; (E51) No. 60 - Engine ground:

    DTC P1496; (E51) No. 61 - Engine ground:

    DTC P1498; (E51) No. 59 - Engine ground:

    Is the resistance 1 MΩ or more?

    Yes:  Go to  4.

    No:  Repair ground short circuit of harness between ECM connector and EGR control valve connector.

  4. CHECK FOR POOR CONTACT  .

    Check for poor contact between ECM connector and EGR control valve connector.

    Is there poor contact in ECM or EGR control valve connector?

    Yes:  Repair the poor contact of ECM or EGR control valve connector.

    No:  Replace EGR control valve. Ref. to EMISSION CONTROL (AUX. EMISSION CONTROL DEVICES) (H4DOTC)>EGR CONTROL VALVE .