LEMON Manuals: Even more car manuals for everyone
Home >> Subaru >> 2023 >> WRX Base, Standard Trans >> Repair and Diagnosis >> Engine Performance >> System >> Engine Control System (Diagnostics) (2 Of 4) >> Diagnostic Procedure with Diagnostic Trouble Code (DTC) >> DTC P06B1: Sensor Power Supply "A" Circuit Low >> Notes

DTC P06B1: Sensor Power Supply "A" Circuit Low: Notes

DTC detecting condition: 

Immediately at fault recognition

Trouble symptom: 

Improper idling

CAUTION: Use the check board when measuring the ECM terminal voltage and resistance. Ref. to ENGINE (DIAGNOSTICS) (H4DOTC)>GENERAL DESCRIPTION>PREPARATION TOOL>HOW TO USE CHECK BOARD .
NOTE: After the faulty parts are repaired or replaced, perform the final check in Basic Diagnostic Procedure. Ref. to ENGINE (DIAGNOSTICS) (H4DOTC)>BASIC DIAGNOSTIC PROCEDURE>PROCEDURE .

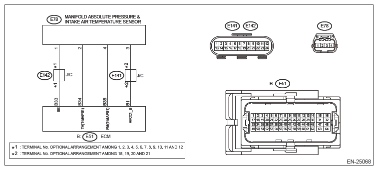
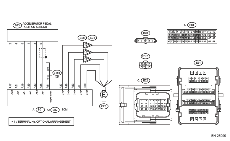
Wiring diagram: 

Engine Electrical System Ref. to WIRING SYSTEM>ENGINE ELECTRICAL SYSTEM .

G14614581Courtesy of SUBARU OF AMERICA, INC.
G14614434Courtesy of SUBARU OF AMERICA, INC.
G14614583Courtesy of SUBARU OF AMERICA, INC.
  1. CHECK HARNESS BETWEEN ECM AND ACCELERATOR PEDAL POSITION SENSOR CONNECTOR (SHORT TO GROUND)  .
    1. Turn the ignition switch to OFF.
    2. Disconnect the connector from ECM.
    3. Disconnect the connector from the accelerator pedal position sensor.
    4. Measure the resistance between the ECM connector and engine ground.

      Connector & terminal 

      (B61) No. 51 - Engine ground:

    Is the resistance 1 MΩ or more?

    Yes:  Go to  2.

    No:  Repair the short circuit to ground in harness between ECM connector and accelerator pedal position sensor connector.

  2. CHECK HARNESS BETWEEN ECM AND EACH SENSOR CONNECTOR (SHORT TO GROUND)  .
    1. Disconnect the connector from the manifold absolute pressure and intake air temperature sensor.
    2. Disconnect the connector from tumble generator valve actuator RH.
    3. Disconnect the connector from tumble generator valve actuator LH.
    4. Measure the resistance between the ECM connector and engine ground.

      Connector & terminal 

      (E51) No. 1 - Engine ground:

    Is the resistance 1 MΩ or more?

    Yes:  Replace the ECM. Ref. to FUEL INJECTION (FUEL SYSTEMS) (H4DOTC)>ENGINE CONTROL MODULE (ECM) .

    No:  Repair the short circuit to ground in harness between the ECM connector and the following sensor connector.

    • Manifold absolute pressure and intake air temperature sensor
    • Tumble generator valve actuator RH
    • Tumble generator valve actuator LH