LEMON Manuals: Even more car manuals for everyone
Home >> Subaru >> 2023 >> WRX Base, Standard Trans >> Repair and Diagnosis >> Engine Performance >> System >> Engine Control System (Diagnostics) (2 Of 4) >> Diagnostic Procedure with Diagnostic Trouble Code (DTC) >> DTC P050A: Cold Start Idle Control System Performance >> Notes

DTC P050A: Cold Start Idle Control System Performance: Notes

DTC detecting condition: 

Detected when two consecutive driving cycles with fault occur.

Trouble symptom: 

CAUTION: Use the check board when measuring the ECM terminal voltage and resistance. Ref. to ENGINE (DIAGNOSTICS) (H4DOTC)>GENERAL DESCRIPTION>PREPARATION TOOL>HOW TO USE CHECK BOARD .
NOTE: After the faulty parts are repaired or replaced, perform the final check in Basic Diagnostic Procedure. Ref. to ENGINE (DIAGNOSTICS) (H4DOTC)>BASIC DIAGNOSTIC PROCEDURE>PROCEDURE .

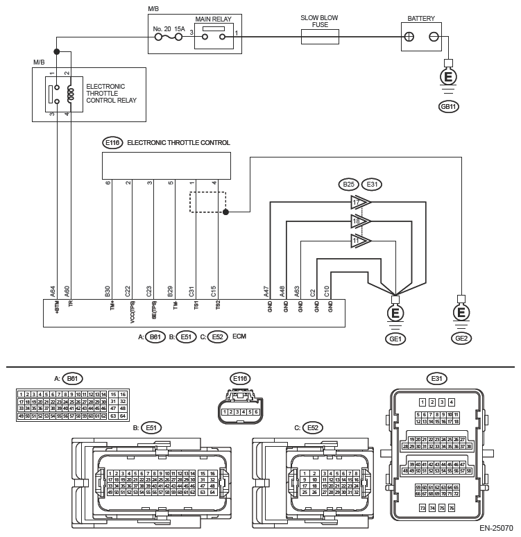
Wiring diagram: 

Engine Electrical System Ref. to WIRING SYSTEM>ENGINE ELECTRICAL SYSTEM .

G14614457Courtesy of SUBARU OF AMERICA, INC.
G14614496Courtesy of SUBARU OF AMERICA, INC.
  1. CHECK DTC  .
    1. Turn the ignition switch to ON.
    2. Using the Subaru Select Monitor or a general scan tool, read the DTC of [Engine]. Ref. to COMMON (DIAGNOSTICS)>DIAGNOSTIC TROUBLE CODE (DTC) .

    Is DTC other than P050A displayed? (Current code)

    Yes:  Check the appropriate DTC using the "Diagnostic Trouble Code (DTC)". Ref. to ENGINE (DIAGNOSTICS) (H4DOTC)>DIAGNOSTIC TROUBLE CODE (DTC)>LIST .

    No:  Go to  2.

  2. CHECK ENGINE OIL  .
    1. Turn the ignition switch to OFF.
    2. Check the engine oil. Ref. to LUBRICATION (H4DOTC)>ENGINE OIL>INSPECTION .

    Is there a proper amount of engine oil?

    Yes:  Go to  3.

    No:  Replace engine oil. Ref. to LUBRICATION (H4DOTC)>ENGINE OIL .

  3. CHECK EXHAUST SYSTEM  .

    Check the exhaust system.

    Are there holes or loose bolts on exhaust system?

    Yes:  Repair the exhaust system.

    No:  Go to  4.

  4. CHECK AIR INTAKE SYSTEM  .

    Check the installing condition of the air intake system.

    Are there holes, loose bolts or disconnection of hose on air intake system?

    Yes:  Repair the air intake system. Ref. to INTAKE (INDUCTION) (H4DOTC)>GENERAL DESCRIPTION .

    No:  Go to  5.

  5. CHECK FUEL PRESSURE  .
    WARNING: Place "NO OPEN FLAMES" signs near the working area.
    CAUTION:
    • Be careful not to spill fuel.
    • Before attaching/detaching a fuel pressure gauge, release the fuel pressure.

    Check the fuel pressure. Ref. to MECHANICAL (H4DOTC)>FUEL PRESSURE>INSPECTION .

    Is the check result OK?

    Yes:  Go to  6.

    No:  Check the fuel pump and fuel delivery line.

    Ref. to FUEL INJECTION (FUEL SYSTEMS) (H4DOTC)>FUEL PUMP ASSEMBLY>INSPECTION .

    Ref. to FUEL INJECTION (FUEL SYSTEMS) (H4DOTC)>FUEL DELIVERY AND EVAPORATION LINES>INSPECTION .

  6. CHECK ENGINE COOLANT TEMPERATURE SENSOR  .
    1. Start the engine and warm up completely.
    2. Using the Subaru Select Monitor, read the value in [Coolant Temp.].
    NOTE: For detailed operation procedures, refer to "COMMON (DIAGNOSTICS)". Ref. to COMMON (DIAGNOSTICS)>DATA MONITOR .

    Is the value of [Coolant Temp.] 75 [°C] (167°F) or more?

    Yes:  Go to  7.

    No:  Replace the engine coolant temperature sensor. Ref. to FUEL INJECTION (FUEL SYSTEMS) (H4DOTC)>ENGINE COOLANT TEMPERATURE SENSOR .

  7. CHECK MASS AIR FLOW AND INTAKE AIR TEMPERATURE SENSOR  .
    1. Warm up the engine until coolant temperature is higher than 75°C (167°F).
    2. For CVT models, set the select lever to "P" range or "N" range, and for MT models, place the shift lever in the neutral position.
    3. Turn the A/C switch to OFF.
    4. Turn all the accessory switches to OFF.
    5. Using the Subaru Select Monitor, read the value in [Mass Air Flow].
    NOTE: For detailed operation procedures, refer to "COMMON (DIAGNOSTICS)". Ref. to COMMON (DIAGNOSTICS)>DATA MONITOR .

    Is the value of [Mass Air Flow] 2 - 5 [g/s] (0.26 - 0.66 lb/min)?

    Yes:  Go to  8.

    No:  Replace the mass air flow and intake air temperature sensor. Ref. to FUEL INJECTION (FUEL SYSTEMS) (H4DOTC)>MASS AIR FLOW AND INTAKE AIR TEMPERATURE SENSOR .

  8. CHECK MASS AIR FLOW AND INTAKE AIR TEMPERATURE SENSOR  .
    1. Start the engine and warm up until the engine coolant temperature exceeds 75°C (167°F).
    2. For CVT models, set the select lever to "P" range or "N" range, and for MT models, place the shift lever in the neutral position.
    3. Turn the A/C switch to OFF.
    4. Turn all the accessory switches to OFF.
    5. Open the front hood.
    6. Measure the ambient temperature.
    7. Using the Subaru Select Monitor, read the value in [IAT Sensor #11].
    NOTE: For detailed operation procedures, refer to "COMMON (DIAGNOSTICS)". Ref. to COMMON (DIAGNOSTICS)>DATA MONITOR .

    Subtract ambient temperature from [IAT Sensor #11]. Is the obtained value -10 - 50 [°C] (-18 - 90°F)?

    Yes:  Go to  9.

    No:  Check the mass air flow and intake air temperature sensor. Ref. to FUEL INJECTION (FUEL SYSTEMS) (H4DOTC)>MASS AIR FLOW AND INTAKE AIR TEMPERATURE SENSOR>INSPECTION .

  9. CHECK HARNESS BETWEEN ECM AND FUEL INJECTOR CONNECTOR (SHORT TO GROUND)  .
    1. Turn the ignition switch to OFF.
    2. Disconnect the connector from ECM.
    3. Disconnect the connector from fuel injector on faulty cylinders.
    4. Measure the resistance between fuel injector connector and engine ground on faulty cylinders.

      Connector & terminal 

      #1 (E101) No. 1 - Engine ground:

      #1 (E101) No. 2 - Engine ground:

      #2 (E102) No. 1 - Engine ground:

      #2 (E102) No. 2 - Engine ground:

      #3 (E103) No. 1 - Engine ground:

      #3 (E103) No. 2 - Engine ground:

      #4 (E104) No. 1 - Engine ground:

      #4 (E104) No. 2 - Engine ground:

    Is the resistance 1 MΩ or more?

    Yes:  Go to  10.

    No:  Repair the short circuit to ground in harness between ECM connector and fuel injector connector.

  10. CHECK HARNESS BETWEEN ECM AND FUEL INJECTOR CONNECTOR (OPEN)  .

    Measure the resistance of harness between ECM and fuel injector connector on faulty cylinders.

    Connector & terminal 

    #1 (E51) No. 15 - (E101) No. 1:

    #1 (E51) No. 16 - (E101) No. 2:

    #2 (E51) No. 31 - (E102) No. 1:

    #2 (E51) No. 32 - (E102) No. 2:

    #3 (E51) No. 47 - (E103) No. 1:

    #3 (E51) No. 48 - (E103) No. 2:

    #4 (E51) No. 63 - (E104) No. 1:

    #4 (E51) No. 64 - (E104) No. 2:

    Is the resistance less than 1 Ω?

    Yes:  Go to  11.

    No:  Repair the open circuit of the harness between the ECM connector and fuel injector connector.

  11. CHECK FUEL INJECTOR  .

    Check the fuel injector on faulty cylinder. Ref. to FUEL INJECTION (FUEL SYSTEMS) (H4DOTC)>FUEL INJECTOR>INSPECTION .

    Is the check result OK?

    Yes:  Go to  12.

    No:  Replace the faulty fuel injector. Ref. to FUEL INJECTION (FUEL SYSTEMS) (H4DOTC)>FUEL INJECTOR .

  12. CHECK INSTALLATION CONDITION OF CAMSHAFT POSITION SENSOR AND CRANKSHAFT POSITION SENSOR  .

    Check the installation condition of the camshaft position sensor and crankshaft position sensor.

    Is the camshaft position sensor or crankshaft position sensor loosely installed?

    Yes:  Tighten the camshaft position sensor or crankshaft position sensor.

    Ref. to FUEL INJECTION (FUEL SYSTEMS) (H4DOTC)>CAMSHAFT POSITION SENSOR .

    Ref. to FUEL INJECTION (FUEL SYSTEMS) (H4DOTC)>CRANKSHAFT POSITION SENSOR .

    No:  Go to  13.

  13. CHECK CRANKSHAFT POSITION SENSOR PLATE  .

    Check the crankshaft position sensor plate. Ref. to FUEL INJECTION (FUEL SYSTEMS) (H4DOTC)>CRANKSHAFT POSITION SENSOR PLATE>INSPECTION .

    Is the crankshaft position sensor plate rusted or does it have broken teeth?

    Yes:  Replace the crankshaft position sensor plate. Ref. to FUEL INJECTION (FUEL SYSTEMS) (H4DOTC)>CRANKSHAFT POSITION SENSOR PLATE .

    No:  Go to  14.

  14. CHECK INSTALLATION CONDITION OF TIMING CHAIN  .

    Turn the crankshaft using the Subaru ST, and align the alignment mark on crank sprocket with alignment mark on cylinder block.

    Subaru ST 18252AA000 CRANKSHAFT SOCKET 

    Is the timing chain dislocated from its proper position?

    Yes:  Correct the installation condition of timing chain. Ref. to MECHANICAL (H4DOTC)>TIMING CHAIN ASSEMBLY .

    No:  Go to  15.

  15. CHECK ELECTRONIC THROTTLE CONTROL RELAY  .
    1. Remove the electronic throttle control relay.
    2. Connect the battery to terminals No. 2 and No. 4 of electronic throttle control relay.
    3. Measure the resistance between electronic throttle control relay terminals.

      Terminals 

      No. 1 - No. 3:

    Is the resistance less than 1 Ω?

    Yes:  Go to  16.

    No:  Replace the electronic throttle control relay. Ref. to FUEL INJECTION (FUEL SYSTEMS) (H4DOTC)>ELECTRONIC THROTTLE CONTROL RELAY .

  16. CHECK POWER SUPPLY OF ELECTRONIC THROTTLE CONTROL RELAY  .

    Measure the voltage between M/B (electronic throttle control relay) terminal and engine ground.

    Terminals 

    No. 2 (+) - Engine ground (-):

    Is the voltage 10 V or more?

    Yes:  Go to  17.

    No:  Repair the following item.

    • Open circuit or short circuit to ground in harness between M/B (fuse) and M/B (electronic throttle control relay)
    • Blown out of fuse
  17. CHECK HARNESS BETWEEN ECM AND ELECTRONIC THROTTLE CONTROL RELAY (SHORT TO POWER SUPPLY)  .
    1. Turn the ignition switch to ON.
    2. Measure the voltage between M/B (electronic throttle control relay) terminal and engine ground.

      Terminals 

      No. 4 (+) - Engine ground (-):

    Is the voltage 10 V or more?

    Yes:  Repair the short circuit to power in the harness between ECM connector and M/B (electronic throttle control relay).

    No:  Go to  18.

  18. CHECK HARNESS BETWEEN ECM AND ELECTRONIC THROTTLE CONTROL RELAY (SHORT TO GROUND)  .
    1. Turn the ignition switch to OFF.
    2. Measure the resistance between M/B (electronic throttle control relay) terminal and engine ground.

      Terminals 

      No. 3 - Engine ground:

      No. 4 - Engine ground:

    Is the resistance 1 MΩ or more?

    Yes:  Go to  19.

    No:  Repair the short circuit to ground in the harness between ECM connector and M/B (electronic throttle control relay).

  19. CHECK HARNESS BETWEEN ECM AND ELECTRONIC THROTTLE CONTROL RELAY (OPEN)  .

    Measure the resistance between ECM connector and M/B (electronic throttle control relay) terminal.

    Connector & terminal 

    (B61) No. 64 - No. 3:

    (B61) No. 60 - No. 4:

    Is the resistance less than 1 Ω?

    Yes:  Go to  20.

    No:  Repair the open circuit in harness between ECM connector and M/B (electronic throttle control relay).

  20. CHECK HARNESS BETWEEN ECM AND ELECTRONIC THROTTLE CONTROL CONNECTOR (SHORT TO GROUND)  .
    1. Disconnect the connectors from electronic throttle control.
    2. Measure the resistance between the ECM connector and engine ground.

      Connector & terminal 

      (E52) No. 15 - Engine ground:

      (E52) No. 22 - Engine ground:

      (E52) No. 31 - Engine ground:

    Is the resistance 1 MΩ or more?

    Yes:  Go to  21.

    No:  Repair the ground short circuit of harness between ECM connector and electronic throttle control connector.

  21. CHECK SHORT CIRCUIT INSIDE ECM  .
    1. Connect the connector to ECM.
    2. Measure the resistance between electronic throttle control connector and engine ground.

      Connector & terminal 

      (E116) No. 1 - Engine ground:

      (E116) No. 4 - Engine ground:

    Is the resistance 1 MΩ or more?

    Yes:  Go to  22.

    No:  Repair the ground short circuit of harness between ECM connector and electronic throttle control connector. When there is no defect in the harness, replace the ECM.

    Ref. to FUEL INJECTION (FUEL SYSTEMS) (H4DOTC)>ENGINE CONTROL MODULE (ECM) .

  22. CHECK HARNESS BETWEEN ECM AND ELECTRONIC THROTTLE CONTROL CONNECTOR (OPEN)  .
    1. Disconnect the connector from ECM.
    2. Measure the resistance of harness between ECM connector and electronic throttle control connector.

      Connector & terminal 

      (E52) No. 31 - (E116) No. 1:

      (E52) No. 23 - (E116) No. 3:

      (E52) No. 15 - (E116) No. 4:

    Is the resistance less than 1 Ω?

    Yes:  Go to  23.

    No:  Repair the open circuit of harness between ECM connector and electronic throttle control connector.

  23. CHECK HARNESS BETWEEN ECM AND ELECTRONIC THROTTLE CONTROL CONNECTOR (OPEN)  .
    1. Connect the connector to ECM.
    2. Measure the resistance between electronic throttle control connector and engine ground.

      Connector & terminal 

      (E116) No. 3 - Engine ground:

    Is the resistance less than 5 Ω?

    Yes:  Go to  24.

    No:  Repair the following item.

    • Open circuit of harness between ECM connector and engine ground
    • Poor contact of ECM connector
  24. CHECK HARNESS BETWEEN ECM AND ELECTRONIC THROTTLE CONTROL CONNECTOR (SHORT TO POWER SUPPLY)  .
    1. Turn the ignition switch to ON.
    2. Measure the voltage between electronic throttle control connector and engine ground.

      Connector & terminal 

      (E116) No. 1 (+) - Engine ground (-):

      (E116) No. 4 (+) - Engine ground (-):

    Is the voltage 5 V or more?

    Yes:  Repair the short circuit to power supply in the harness between ECM connector and electronic throttle control connector.

    No:  Go to  25.

  25. CHECK HARNESS BETWEEN ECM AND ELECTRONIC THROTTLE CONTROL CONNECTOR (SHORT BETWEEN LINES)  .
    1. Turn the ignition switch to OFF.
    2. Disconnect the connector from ECM.
    3. Measure the resistance between ECM connectors.

      Connector & terminal 

      (E52) No. 22 - (E52) No. 15:

      (E52) No. 22 - (E52) No. 31:

    Is the resistance 1 MΩ or more?

    Yes:  Go to  26.

    No:  Repair the line-to-line short circuit between ECM connector and electronic throttle control connector.

  26. CHECK SENSOR OUTPUT  .
    1. Connect all connectors.
    2. Turn the ignition switch to ON.
    3. Using the Subaru Select Monitor, read the value in [Main-Throttle Sensor].
    NOTE: For detailed operation procedures, refer to "COMMON (DIAGNOSTICS)". Ref. to COMMON (DIAGNOSTICS)>DATA MONITOR .

    Is the value of [Main-Throttle Sensor] 0.6 - 0.65 [V]?

    Yes:  Go to  27.

    No:  Repair the poor contact of electronic throttle control connector. Replace the electronic throttle control if defective. Ref. to FUEL INJECTION (FUEL SYSTEMS) (H4DOTC)>THROTTLE BODY .

  27. CHECK SENSOR OUTPUT  .

    Using the Subaru Select Monitor, read the value in [Sub-Throttle Sensor].

    NOTE: For detailed operation procedures, refer to "COMMON (DIAGNOSTICS)". Ref. to COMMON (DIAGNOSTICS)>DATA MONITOR .

    Is the value of [Sub-Throttle Sensor] 0.6 - 0.65 [V]?

    Yes:  Go to  28.

    No:  Repair the poor contact of electronic throttle control connector. Replace the electronic throttle control if defective. Ref. to FUEL INJECTION (FUEL SYSTEMS) (H4DOTC)>THROTTLE BODY .

  28. CHECK HARNESS BETWEEN ECM AND ELECTRONIC THROTTLE CONTROL MOTOR (OPEN)  .
    1. Turn the ignition switch to OFF.
    2. Disconnect the connector from ECM.
    3. Disconnect the connectors from electronic throttle control.
    4. Measure the resistance between ECM connector and electronic throttle control connector.

      Connector & terminal 

      (E51) No. 29 - (E116) No. 5:

      (E51) No. 30 - (E116) No. 6:

    Is the resistance less than 1 Ω?

    Yes:  Go to  29.

    No:  Repair the open circuit of harness between ECM connector and electronic throttle control connector.

  29. CHECK HARNESS BETWEEN ECM AND ELECTRONIC THROTTLE CONTROL MOTOR (SHORT TO POWER SUPPLY)  .
    1. Connect the connector to ECM.
    2. Turn the ignition switch to ON.
    3. Measure the voltage between electronic throttle control connector and engine ground.

      Connector & terminal 

      (E116) No. 5 (+) - Engine ground (-):

      (E116) No. 6 (+) - Engine ground (-):

    Is the voltage 5 V or more?

    Yes:  Repair the short circuit to power supply in the harness between ECM connector and electronic throttle control connector.

    No:  Go to  30.

  30. CHECK HARNESS BETWEEN ECM AND ELECTRONIC THROTTLE CONTROL MOTOR (SHORT TO GROUND)  .
    1. Turn the ignition switch to OFF.
    2. Disconnect the connector from ECM.
    3. Measure the resistance between electronic throttle control connector and engine ground.

      Connector & terminal 

      (E116) No. 5 - Engine ground:

      (E116) No. 6 - Engine ground:

    Is the resistance 1 MΩ or more?

    Yes:  Go to  31.

    No:  Repair the ground short circuit of harness between ECM connector and electronic throttle control connector.

  31. CHECK ELECTRONIC THROTTLE CONTROL MOTOR HARNESS (LINE-TO-LINE SHORT)  .

    Measure the resistance between electronic throttle control connectors.

    Connector & terminal 

    (E116) No. 5 - (E116) No. 6:

    Is the resistance 1 MΩ or more?

    Yes:  Go to  32.

    No:  Repair the short circuit in harness between ECM connector and electronic throttle control connector.

  32. CHECK ELECTRONIC THROTTLE CONTROL GROUND CIRCUIT (OPEN)  .

    Measure the resistance between the ECM connector and engine ground.

    Connector & terminal 

    (B61) No. 47 - Engine ground:

    (B61) No. 48 - Engine ground:

    (B61) No. 63 - Engine ground:

    (E52) No. 2 - Engine ground:

    (E52) No. 10 - Engine ground:

    Is the resistance less than 5 Ω?

    Yes:  Go to  33.

    No:  Repair the following item.

    • Open circuit of harness between ECM connector and engine ground
    • Poor contact of coupling connector
  33. CHECK ELECTRONIC THROTTLE CONTROL  .

    Measure the resistance between electronic throttle control terminals.

    Terminals 

    No. 5 - No. 6:

    Is the resistance 50 Ω or less?

    Yes:  Go to  34.

    No:  Replace the electronic throttle control. Ref. to FUEL INJECTION (FUEL SYSTEMS) (H4DOTC)>THROTTLE BODY .

  34. CHECK ELECTRONIC THROTTLE CONTROL  .
    1. Move the throttle valve to the fully opened and fully closed positions with fingers.
    2. Check that the valve returns to the specified position when releasing fingers.

    Does the valve return to the specified position? Specification:

    3 mm (0.12 in) from fully closed position

    Yes:  Repair the poor contact of ECM connector.

    No:  Replace the electronic throttle control. Ref. to FUEL INJECTION (FUEL SYSTEMS) (H4DOTC)>THROTTLE BODY .