LEMON Manuals: Even more car manuals for everyone
Home >> Subaru >> 2023 >> WRX Base, Standard Trans >> Repair and Diagnosis >> Engine Performance >> System >> Engine Control System (Diagnostics) (2 Of 4) >> Diagnostic Procedure with Diagnostic Trouble Code (DTC) >> DTC P0230: Fuel Pump Primary Circuit >> Notes

DTC P0230: Fuel Pump Primary Circuit: Notes

DTC detecting condition: 

Detected when two consecutive driving cycles with fault occur.

CAUTION: Use the check board when measuring the ECM terminal voltage and resistance. Ref. to ENGINE (DIAGNOSTICS) (H4DOTC)>GENERAL DESCRIPTION>PREPARATION TOOL>HOW TO USE CHECK BOARD .
NOTE: After the faulty parts are repaired or replaced, perform the final check in Basic Diagnostic Procedure. Ref. to ENGINE (DIAGNOSTICS) (H4DOTC)>BASIC DIAGNOSTIC PROCEDURE>PROCEDURE .

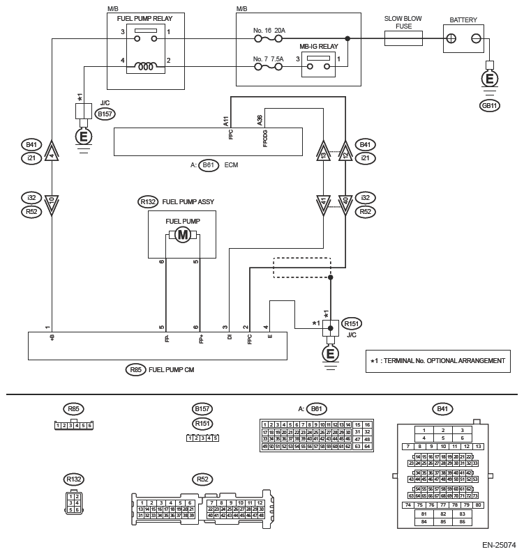
Wiring diagram: 

Engine Electrical System Ref. to WIRING SYSTEM>ENGINE ELECTRICAL SYSTEM .

G14614513Courtesy of SUBARU OF AMERICA, INC.
  1. CHECK FUEL PUMP CONTROL UNIT POWER SUPPLY  .
    1. Turn the ignition switch to OFF.
    2. Disconnect the connector from fuel pump control unit.
    3. Turn the ignition switch to ON.
    4. Measure the voltage between fuel pump control unit connector and chassis ground.

      Connector & terminal 

      (R85) No. 1 (+) - Chassis ground (-):

    Is the voltage 10 V or more?

    Yes:  Go to  2.

    No:  Repair the following item.

    • Open circuit or short circuit to ground in harness between fuel pump relay connector and fuel pump control unit connector
    • Poor contact of fuel pump relay connector
    • Poor contact of coupling connector
    • Defective fuel pump relay
    • Blown out of fuse
  2. CHECK GROUND CIRCUIT OF FUEL PUMP CONTROL UNIT (OPEN)  .
    1. Turn the ignition switch to OFF.
    2. Measure the resistance of harness between fuel pump control unit connector and chassis ground.

      Connector & terminal 

      (R85) No. 4 - Chassis ground:

    Is the resistance less than 5 Ω?

    Yes:  Go to  3.

    No:  Repair the following item.

    • Open circuit between fuel pump control unit connector and chassis ground
    • Poor contact of J/C
  3. CHECK HARNESS BETWEEN FUEL PUMP CONTROL UNIT AND FUEL PUMP CONNECTOR (OPEN)  .
    1. Disconnect the connector from fuel pump.
    2. Measure the resistance of harness between fuel pump control unit and fuel pump connector.

      Connector & terminal 

      (R85) No. 5 - (R132) No. 6:

      (R85) No. 6 - (R132) No. 5:

    Is the resistance less than 1 Ω?

    Yes:  Go to  4.

    No:  Repair the open circuit in harness between fuel pump control unit connector and fuel pump connector.

  4. CHECK HARNESS BETWEEN FUEL PUMP CONTROL UNIT AND FUEL PUMP CONNECTOR (SHORT TO GROUND)  .

    Measure the resistance between fuel pump control unit connector and chassis ground.

    Connector & terminal 

    (R85) No. 5 - Chassis ground:

    (R85) No. 6 - Chassis ground:

    Is the resistance 1 MΩ or more?

    Yes:  Go to  5.

    No:  Repair the short circuit to ground in harness between fuel pump control unit connector and fuel pump connector.

  5. CHECK HARNESS BETWEEN ECM AND FUEL PUMP CONTROL UNIT CONNECTOR (OPEN)  .
    1. Disconnect the connector from ECM.
    2. Measure the resistance of harness between ECM connector and fuel pump control unit connector.

      Connector & terminal 

      (B61) No. 11 - (R85) No. 2:

      (B61) No. 36 - (R85) No. 3:

    Is the resistance less than 1 Ω?

    Yes:  Go to  6.

    No:  Repair the following item.

    • Open circuit in harness between ECM connector and fuel pump control unit connector
    • Poor contact of coupling connector
  6. CHECK HARNESS BETWEEN ECM AND FUEL PUMP CONTROL UNIT CONNECTOR (SHORT TO GROUND)  .

    Measure the resistance between fuel pump control unit connector and chassis ground.

    Connector & terminal 

    (R85) No. 2 - Chassis ground:

    (R85) No. 3 - Chassis ground:

    Is the resistance 1 MΩ or more?

    Yes:  Go to  7.

    No:  Repair the short circuit to ground in harness between ECM connector and fuel pump control unit connector.

  7. CHECK FOR POOR CONTACT  .

    Check for poor contact of ECM and fuel pump control unit connector.

    Is there poor contact of ECM or fuel pump control unit connector?

    Yes:  Repair the poor contact of ECM or fuel pump control unit connector.

    No:  Go to  8.

  8. CHECK EXPERIENCE OF RUNNING OUT OF FUEL  .

    Check if there was an experience of running out of fuel using Check List for Interview. Ref. to ENGINE (DIAGNOSTICS) (H4DOTC)>CHECK LIST FOR INTERVIEW .

    Has the vehicle experienced running out of fuel?

    Yes:  Finish the diagnosis.

    NOTE: DTC may be recorded as a result of fuel pump idling while running out of fuel.

    No:  Replace the fuel pump control unit. Ref. to FUEL INJECTION (FUEL SYSTEMS) (H4DOTC)>FUEL PUMP CONTROL UNIT .