LEMON Manuals: Even more car manuals for everyone
Home >> Subaru >> 2023 >> WRX Base, Standard Trans >> Repair and Diagnosis >> Accessories & Equipment >> Communication Devices >> Body Control System (Diagnostics) >> Diagnostic Procedure with Diagnostic Trouble Code (DTC) >> DTC U0169: Lost Communication With Sunroof Control Module

DTC U0169: Lost Communication With Sunroof Control Module

DTC detecting condition  :

Data does not arrive from sunroof unit.

Trouble symptom  :

The sunroof may not operate normally.

CAUTION: Before performing diagnosis, refer to "CAUTION" in "General Description". Ref. to BODY CONTROL (DIAGNOSTICS)>GENERAL DESCRIPTION>CAUTION .

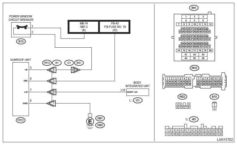
Wiring diagram  :

Sunroof control system Ref. to WIRING SYSTEM>SUNROOF CONTROL SYSTEM>WIRING DIAGRAM .

G14615352Courtesy of SUBARU OF AMERICA, INC.
  1. CHECK DTC  .
    1. Turn the ignition switch to ON.
    2. Wait for at least 10 seconds.
    3. Read the DTC of [Body Control] using the Subaru Select Monitor. Ref. to BODY CONTROL (DIAGNOSTICS)>DIAGNOSTIC TROUBLE CODE (DTC) .

    Is DTC U0169 displayed? (Current code)

    Yes:  Go to  2.

    No:  Even if DTC is displayed, the circuit has returned to a normal condition at this time. Reproduce the failure, and then perform the diagnosis again.

    CAUTION: In this case, temporary poor contact of connector, temporary open or short circuit of harness may be the cause.
  2. CHECK BODY INTEGRATED UNIT CUSTOMIZATION  .

    Using Subaru Select Monitor, make sure the [Customize] setting values of [Body Control] correspond to the vehicle.

    Is the setting value of [Sunroof setting] equal to [Exist]?

    Yes:  Go to  3.

    No:  Change the setting value to [ON].

  3. CHECK DTC  .
    1. Turn the ignition switch to OFF.
    2. Disconnect the sunroof unit connector and body integrated unit connector.
    3. Connect the disconnected connectors.
    4. Turn the ignition switch to ON.
    5. Wait for at least 10 seconds.
    6. Read the DTC of [Body Control] using the Subaru Select Monitor. Ref. to BODY CONTROL (DIAGNOSTICS)>DIAGNOSTIC TROUBLE CODE (DTC) .

    Is DTC U0169 displayed? (Current code)

    Yes:  Go to  4.

    No:  Even if DTC is displayed, the circuit has returned to a normal condition at this time. Reproduce the failure, and then perform the diagnosis again.

    NOTE: In this case, temporary poor contact of connector, temporary open or short circuit of harness may be the cause.
  4. CHECK HARNESS (OPEN CIRCUIT)  .
    1. Turn the ignition switch to OFF.
    2. Disconnect the sunroof unit connector and body integrated unit connector.
    3. Using a tester, measure the resistance between the sunroof unit connector and body integrated unit connector, and between the sunroof unit connector and chassis ground.

      Connector & terminal 

      (Rf22) No. 7 - (i83) No. 18:

      (Rf22) No. 8 - Chassis ground:

    Is the resistance less than 10 Ω?

    Yes:  Go to  5.

    No:  Repair the open circuit of harness.

  5. CHECK HARNESS (GROUND SHORT CIRCUIT)  .
    1. Disconnect the sunroof unit connector.
    2. Using a tester, measure the resistance between the sunroof unit connector and chassis ground.

      Connector & terminal 

      (Rf22) No. 7 - Chassis ground:

    Is the resistance 10 kΩ or more?

    Yes:  Go to  6.

    No:  Repair the shorted portion of harness.

  6. CHECK HARNESS (SHORT CIRCUIT TO POWER SUPPLY)  .
    1. Turn the ignition switch to ON.
    2. Using a tester, measure the voltage between the sunroof unit connector and chassis ground.

      Connector & terminal 

      (Rf22) No. 7 (+) - Chassis ground (-):

    Is the voltage less than 1 V?

    Yes:  Go to  7.

    No:  Repair the shorted portion of harness.

  7. CHECK HARNESS  .

    Using a tester, measure the voltage between the sunroof unit connector and chassis ground.

    Connector & terminal 

    (Rf22) No. 3 (+) - Chassis ground (-):

    (Rf22) No. 6 (+) - Chassis ground (-):

    Is the voltage 9 V or more?

    Yes:  Go to  8.

    No:  Repair the open circuit of harness.

  8. CHECK CONTROL MODULE  .
    1. Turn the ignition switch to OFF.
    2. Replace the sunroof unit with a properly functioning part. Ref. to SUNROOF/T-TOP/CONVERTIBLE TOP (SUNROOF)>SUNROOF MOTOR .
    3. Turn the ignition switch to ON.
    4. Wait for at least 10 seconds.
    5. Read the DTC of [Body Control] using the Subaru Select Monitor. Ref. to BODY CONTROL (DIAGNOSTICS)>DIAGNOSTIC TROUBLE CODE (DTC) .

    Is DTC U0169 displayed? (Current code)

    Yes:  Replace the body integrated unit. Ref. to BODY CONTROL/COMMUNICATION SYSTEM>BODY INTEGRATED UNIT .

    No:  Malfunction occurred in the sunroof unit.