LEMON Manuals: Even more car manuals for everyone
Home >> Subaru >> 2023 >> WRX Base, Automatic CVT Trans >> Repair and Diagnosis >> Engine Performance >> System >> Engine Control System (Diagnostics - Introduction) >> General Description >> System Block Diagram

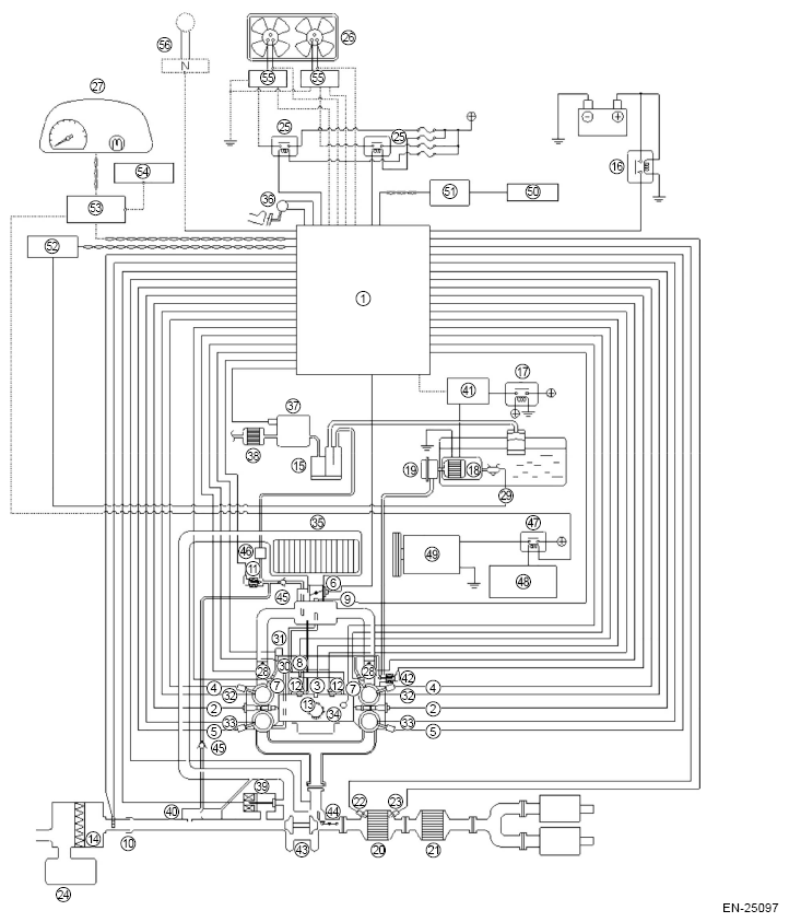
System Block Diagram

G16541965Courtesy of SUBARU OF AMERICA, INC.
(1) Engine control module (ECM)
(2) Ignition coil
(3) Crankshaft position sensor
(4) Intake camshaft position sensor
(5) Exhaust camshaft position sensor
(6) Electronic throttle control
(7) Fuel injector
(8) Engine coolant temperature sensor
(9) Manifold absolute pressure and intake air temperature sensor
(10) Mass air flow and intake air temperature sensor
(11) Purge control solenoid valve
(12) Knock sensor
(13) PCV valve
(14) Air cleaner
(15) Canister
(16) Main relay
(17) Fuel pump relay
(18) Fuel filter
(19) Fuel pump
(20) Front catalytic converter
(21) Rear catalytic converter
(22) Front oxygen (A/F) sensor
(23) Rear oxygen sensor
(24) Resonator chamber
(25) Radiator fan relay
(26) Radiator fan
(27) Inhibitor switch
(28) Combination meter
(29) Tumble generator valve actuator
(30) Fuel level sensor
(31) EGR control valve
(32) Fuel pressure sensor
(33) Intake oil control solenoid
(34) Exhaust oil control solenoid
(35) Engine oil temperature sensor
(36) Intercooler
(37) Accelerator pedal position sensor
(38) Leak check valve ASSY
(39) Drain filter
(40) Electronic air by-pass valve
(41) Ejector
(42) Fuel pump control module
(43) High-pressure fuel pump
(44) Turbocharger
(45) Electronic wastegate valve
(46) Check valve
(47) CPC pressure sensor
(48) A/C relay
(49) A/C control module
(50) A/C compressor
(51) Transmission control module (TCM)
(52) ABS wheel speed sensor
(53) VDC control module and hydraulic control unit (VDCCM & H/U)
(54) Body integrated unit
(55) Central gateway
(56) Data link connector
(57) Radiator fan control module
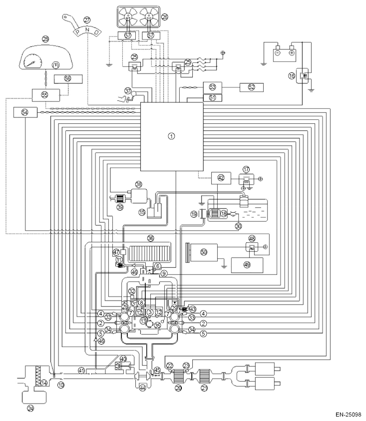
G16541966Courtesy of SUBARU OF AMERICA, INC.
(1) Engine control module (ECM)
(2) Fuel pump control module
(3) Fuel pump
(4) Fuel tank
(5) Intercooler
(6) Engine coolant temperature sensor
(7) Crankshaft position sensor
(8) Tumble generator valve LH
(9) Tumble generator valve actuator LH
(10) Intake camshaft position sensor LH
(11) High-pressure fuel pump
(12) Exhaust camshaft position sensor LH
(13) Fuel injector
(14) Electronic throttle control
(15) Rear oxygen sensor
(16) Front oxygen (A/F) sensor
(17) Turbocharger
(18) Mass air flow and intake air temperature sensor
(19) Exhaust camshaft position sensor RH
(20) Intake camshaft position sensor RH
(21) Tumble generator valve actuator RH
(22) Tumble generator valve RH
(23) Fuel pressure sensor
(24) Manifold absolute pressure and intake air temperature sensor
(25) Throttle position sensor
(26) Starter