LEMON Manuals: Even more car manuals for everyone
Home >> Subaru >> 2023 >> WRX Base, Automatic CVT Trans >> Repair and Diagnosis >> Accessories & Equipment >> Communication Devices >> Front Relay Control Module (Diagnostics) >> General Description >> System Block Diagram

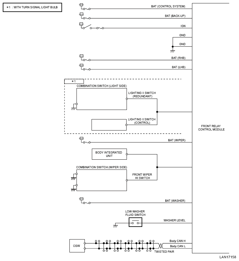
System Block Diagram

G16543203Courtesy of SUBARU OF AMERICA, INC.
G14615496Courtesy of SUBARU OF AMERICA, INC.