LEMON Manuals: Even more car manuals for everyone
Home >> Subaru >> 2023 >> Outback Base >> Repair and Diagnosis >> Body & Frame >> Door Locks >> Security And Locks - Keyless Access (W/Push Button Start) (Diagnostics) >> Diagnostic Procedure with Diagnostic Trouble Code (DTC) >> DTC B2271: IGN Relay Control Circuit

DTC B2271: IGN Relay Control Circuit

DTC detecting condition: 

When the system judges the malfunction (difference between output value and monitoring result) 3 times continuously, during power supply status transition from ACC ON → ignition switch ON (initial check), or with 1-second interval check while the ignition switch is ON (periodical check).

Trouble symptom: 

Not all functions operate at IGN ON.

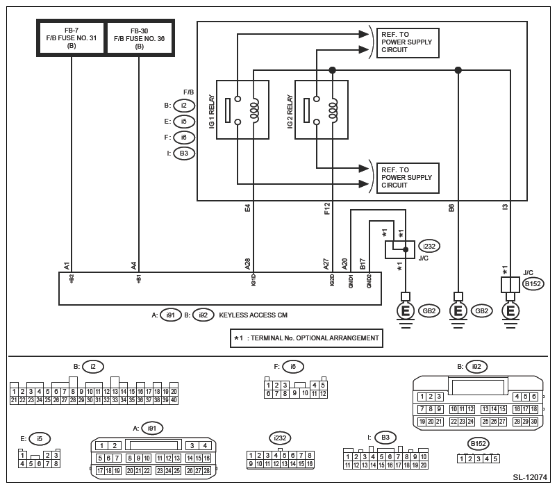
Wiring diagram: 

G16391130Courtesy of SUBARU OF AMERICA, INC.
CAUTION:
  1. CHECK LAN SYSTEM  .

    Perform the diagnosis for LAN system. Ref. to LAN SYSTEM (DIAGNOSTICS)>BASIC DIAGNOSTIC PROCEDURE>PROCEDURE .

    Is the check result OK?

    Yes  : Go to  2.

    No  : Perform the inspection according to the diagnosis for LAN system.

  2. CHECK FUSE  .

    Check the fuse. Ref. to WIRING SYSTEM>KEYLESS ACCESS WITH PUSH BUTTON START SYSTEM>WIRING DIAGRAM .

    Is the check result OK?

    Yes  : Go to  3.

    No  : Replace the fuse. When the replaced fuse is blown immediately, check the power supply circuit for short-circuited.

  3. CHECK HARNESS  .
    1. Disconnect the keyless access control module connector.
    2. Using a tester, measure the voltage between the keyless access control module connector and chassis ground.

      Connector & terminal 

      (i91) No. 1 (+) - Chassis ground (-):

      (i91) No. 4 (+) - Chassis ground (-):

    Is the voltage 9.5 - 16 V?

    Yes  : Go to  4.

    No  : Check the power supply circuit.

  4. CHECK HARNESS (OPEN CIRCUIT)  .

    Using a tester, measure the resistance between the keyless access control module connector and chassis ground.

    Connector & terminal 

    (i92) No. 17 - Chassis ground:

    (i91) No. 20 - Chassis ground:

    Is the resistance less than 1 Ω?

    Yes  : Go to  5.

    No  : Repair or replace the open circuit of harness.

  5. CHECK HARNESS  .

    Using a tester, measure the resistance between the keyless access control module connector and chassis ground.

    Connector & terminal 

    (i91) No. 27 - Chassis ground:

    Is the resistance 74.15 - 460.88 Ω? (At 20°C)

    Yes  : Go to  6.

    No  : Check IG relay 2. Go to  7.

  6. CHECK HARNESS  .

    Using a tester, measure the resistance between the keyless access control module connector and chassis ground.

    Connector & terminal 

    (i91) No. 28 - Chassis ground:

    Is the resistance 50.87 - 72.17 Ω? (At 20°C)

    Yes  : Go to  8.

    No  : Check IG relay 1. Go to  7.

  7. CHECK RELAY  .

    Perform unit inspection of IG relay 1 and IG relay 2. Ref. to SECURITY AND LOCKS>RELAY AND FUSE>INSPECTION>CHECK RELAY .

    Is the check result OK?

    Yes  : Go to  8.

    No  : Replace the relay. Ref. to SECURITY AND LOCKS>RELAY AND FUSE .

  8. CHECK KEYLESS ACCESS CONTROL MODULE  .
    1. Connect the disconnected connectors.
    2. Using a tester, measure the voltage between the keyless access control module connector and chassis ground.

      Connector & terminal 

      (i91) No. 27 (+) - Chassis ground (-):

      (i91) No. 28 (+) - Chassis ground (-):

    Does the voltage change as 1 V or less → 9.5 - 16 V according to the operation of ACC → IGN ON?

    Yes  : Even if DTC is displayed, the circuit has returned to a normal condition at this time. Reproduce the failure, and then perform the diagnosis again.

    NOTE: In this case, temporary poor contact of connector, temporary open or short circuit of harness may be the cause.

    No  : Replace the keyless access control module.