LEMON Manuals: Even more car manuals for everyone
Home >> Subaru >> 2023 >> Outback Base >> Repair and Diagnosis >> Accessories & Equipment >> Memory Modules >> Power Seat Memory System (Diagnostics) >> Diagnostic Procedure with Diagnostic Trouble Code (DTC) >> DTC B2606: Power Seat Position Sensor Circuit Low

DTC B2606: Power Seat Position Sensor Circuit Low

DTC detecting condition: 

When the short circuit in the pulse sensor circuit is detected during the motor operation.

Trouble symptom: 

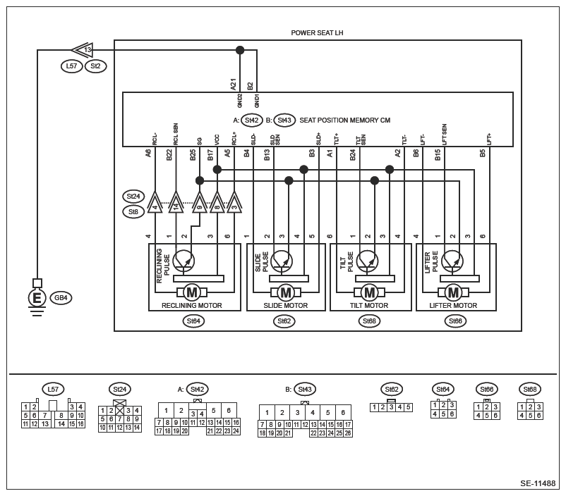
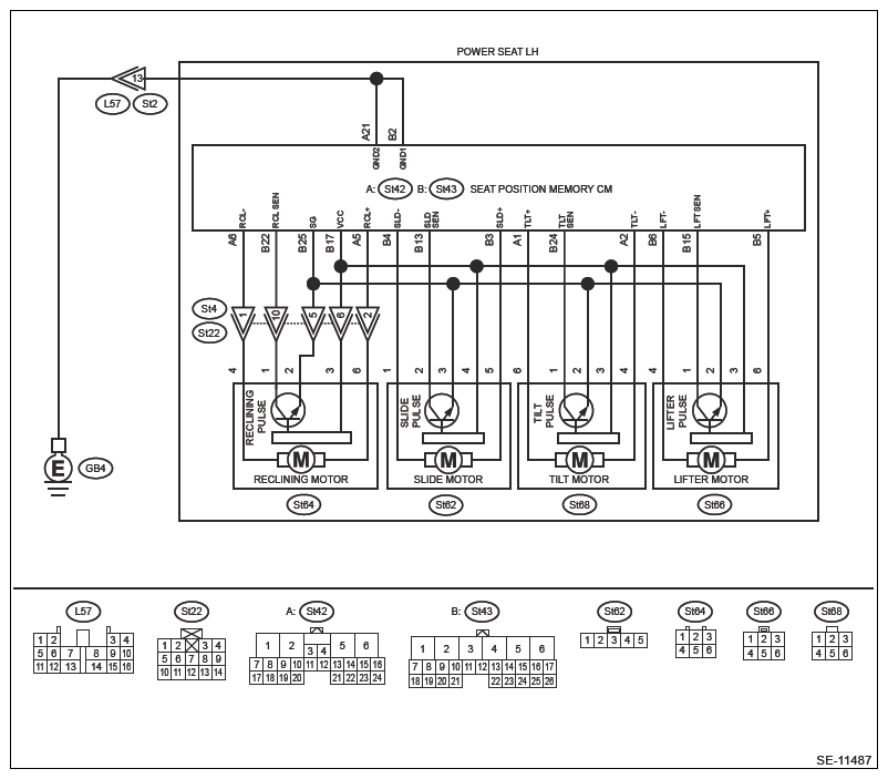
Wiring diagram: 

Power seat system Ref. to WIRING SYSTEM>POWER SEAT SYSTEM>WIRING DIAGRAM .

G16395174Courtesy of SUBARU OF AMERICA, INC.
CAUTION: Before performing diagnosis, refer to "CAUTION" in "General Description". Ref. to POWER SEAT MEMORY (DIAGNOSTICS)>GENERAL DESCRIPTION>CAUTION .
  1. CHECK DTC  .
    1. Using the Subaru Select Monitor, perform the clear memory of [Power Seat Memory]. Ref. to COMMON (DIAGNOSTICS)>CLEAR MEMORY .
    2. Turn the ignition switch to OFF.
    3. Disconnect the seat position memory Control Module connector, and connect it.
    4. Turn the ignition switch to ON.
    5. Move the power seat.
    6. Read the DTC of [Power Seat Memory] using the Subaru Select Monitor. Ref. to POWER SEAT MEMORY (DIAGNOSTICS)>DIAGNOSTIC TROUBLE CODE (DTC) .

    Is DTC B2606 displayed? (Current code)

    Yes:  Go to  2.

    No:  Even if DTC is displayed, the circuit has returned to a normal condition at this time. Reproduce the failure, and perform the diagnosis again.

    NOTE: In this case, temporary poor contact of connector, temporary open or short circuit of harness may be the cause.
  2. CHECK HARNESS (GROUND SHORT CIRCUIT)  .
    1. Turn the ignition switch to OFF.
    2. Disconnect the seat position memory Control Module connector.
    3. Disconnect the connectors of all motors (slide/tilt/lifter/reclining).
    4. Measure the resistance between seat position memory Control Module connector and chassis ground.

      Connector & terminal 

      (St43) No. 17 - Chassis ground:

    Is the resistance 1 MΩ or more?

    Yes:  Go to  3.

    No:  Repair or replace the short circuit to ground in harness between the seat position memory Control Module connector and motor connector.

  3. CHECK SLIDE MOTOR  .
    1. Connect the slide motor connector.
    2. Using a tester, measure the resistance between the seat position memory Control Module connector and chassis ground.

      Connector & terminal 

      (St43) No. 17 - Chassis ground:

    Is the resistance 1 MΩ or more?

    Yes:  Go to  4.

    No:  Replace the seat cushion frame assembly. Ref. to SEATS>FRONT SEAT .

  4. CHECK TILT MOTOR  .
    1. Disconnect the slide motor connector.
    2. Connect the tilt motor connector.
    3. Using a tester, measure the resistance between the seat position memory Control Module connector and chassis ground.

      Connector & terminal 

      (St43) No. 17 - Chassis ground:

    Is the resistance 1 MΩ or more?

    Yes:  Go to  5.

    No:  Replace the seat cushion frame assembly. Ref. to SEATS>FRONT SEAT .

  5. CHECK LIFTER MOTOR  .
    1. Disconnect the tilt motor connector.
    2. Connect the lifter motor connector.
    3. Using a tester, measure the resistance between the seat position memory Control Module connector and chassis ground.

      Connector & terminal 

      (St43) No. 17 - Chassis ground:

    Is the resistance 1 MΩ or more?

    Yes:  Go to  6.

    No:  Replace the seat cushion frame assembly. Ref. to SEATS>FRONT SEAT .

  6. CHECK RECLINING MOTOR  .
    1. Disconnect the lifter motor connector.
    2. Connect the reclining motor connector.
    3. Using a tester, measure the resistance between the seat position memory Control Module connector and chassis ground.

    Connector & terminal 

    (St43) No. 17 - Chassis ground:

    Is the resistance 1 MΩ or more?

    Yes:  Replace the seat position memory Control Module. Ref. to SEATS>POWER SEAT SYSTEM .

    No:  Replace the backrest frame assembly. Ref. to SEATS>FRONT SEAT .