LEMON Manuals: Even more car manuals for everyone
Home >> Subaru >> 2023 >> Outback Base >> Repair and Diagnosis (Single Page) >> Engine Performance >> System >> Engine Control System (2.5L) (Diagnostics) (2 Of 4) >> Diagnostic Procedure with Diagnostic Trouble Code (DTC) >> DTC P0366: Camshaft Position Sensor "B" Circuit Range/Performance Bank 1 >> Component Description

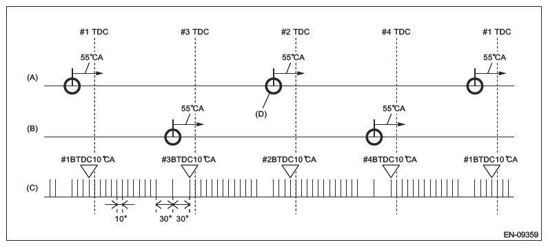
Component Description

G16350399Courtesy of SUBARU OF AMERICA, INC.
(A) Exhaust cam signal RH
(B) Exhaust cam signal LH
(C) Crankshaft signal
(D) Camshaft position signal: When normal, there will be two camshaft position signals for every two crankshaft revolutions.