LEMON Manuals: Even more car manuals for everyone
Home >> Subaru >> 2023 >> Forester Base >> Repair and Diagnosis >> Engine Performance >> System >> Engine Control System (Diagnostics) (4 Of 4) >> Diagnostic Procedure with Diagnostic Trouble Code (DTC) >> DTC U0298: Lost Communication With Dc/Dc Converter Control Module "A" >> Notes

DTC U0298: Lost Communication With Dc/Dc Converter Control Module "A": Notes

DTC detecting condition: 

Immediately at fault recognition

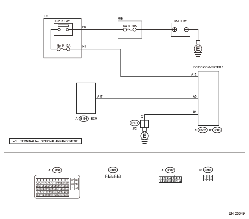
Wiring diagram: 

Engine Electrical System Ref. to WIRING SYSTEM>ENGINE ELECTRICAL SYSTEM .

G16345526Courtesy of SUBARU OF AMERICA, INC.
CAUTION: Use the check board when measuring the ECM terminal voltage and resistance. Ref. to ENGINE (DIAGNOSTICS) (H4DO)>GENERAL DESCRIPTION>PREPARATION TOOL>HOW TO USE CHECK BOARD .
NOTE: After the faulty parts are repaired or replaced, perform the final check in Basic Diagnostic Procedure. Ref. to ENGINE (DIAGNOSTICS) (H4DO)>BASIC DIAGNOSTIC PROCEDURE>PROCEDURE .
  1. CHECK DTC  .
    1. Turn the ignition switch to ON.
    2. Using the Subaru Select Monitor or a general scan tool, read the DTC of [Engine]. Ref. to COMMON (DIAGNOSTICS)>DIAGNOSTIC TROUBLE CODE (DTC) .

    Is DTC U0077 displayed? (Current code)

    Yes:  Check for DTC U0077. Ref. to ENGINE (DIAGNOSTICS) (H4DO)>DIAGNOSTIC PROCEDURE WITH DIAGNOSTIC TROUBLE CODE (DTC)>DTC U0077 LIN COMMUNICATION BUS "ECM/PCM" OFF .

    No:  Go to  2.

  2. CHECK HARNESS BETWEEN ECM CONNECTOR AND DC/DC CONVERTER 1 CONNECTOR (OPEN)  .
    1. Turn the ignition switch to OFF.
    2. Disconnect the connector from ECM.
    3. Disconnect the connector from the DC/DC converter 1.
    4. Measure the resistance in harness between ECM connector and DC/DC converter 1 connector.

      Connector & terminal 

      (B62) No. 17 - (B11) No. 9:

    Is the resistance less than 10 Ω?

    Yes:  Go to  3.

    No:  Repair the open circuit in harness between ECM connector and DC/DC converter 1 connector.

  3. CHECK HARNESS BETWEEN ECM CONNECTOR AND DC/DC CONVERTER 1 CONNECTOR (SHORT TO POWER SUPPLY)  .
    1. Turn the ignition switch to ON.
    2. Measure the voltage of harness between ECM connector and engine ground.

      Connector & terminal 

      (B62) No. 17 (+) - Engine ground (-):

    Is the voltage 12 V or more?

    Yes:  Go to  4.

    No:  Repair the short circuit to power supply in harness between ECM connector and DC/DC converter 1 connector.

  4. CHECK INPUT VOLTAGE OF DC/DC CONVERTER 1  .

    Measure the voltage of harness between DC/DC converter 1 connector and engine ground.

    Connector & terminal 

    (B11) No. 12 (+) - Engine ground (-):

    Is the voltage 12 V or more?

    Yes:  Go to  5.

    No:  Repair the following item.

    • Open circuit in harness between DC/DC converter 1 connector and battery terminal
    • Blown out of fuse
    • Defective IG2 relay
  5. CHECK HARNESS BETWEEN DC/DC CONVERTER 1 CONNECTOR AND ENGINE GROUND (OPEN)  .
    1. Turn the ignition switch to OFF.
    2. Measure the resistance between DC/DC converter 1 connector and engine ground.

      Connector & terminal 

      (B12) No. 4 - Engine ground:

    Is the resistance less than 5 Ω?

    Yes:  Go to  6.

    No:  Repair the open circuit in harness between DC/DC converter 1 connector and engine ground.

  6. CHECK REPEATABILITY  .
    1. Connect all connectors.
    2. Turn the ignition switch to ON.
    3. Using the Subaru Select Monitor, perform the clear memory of [Engine]. Ref. to COMMON (DIAGNOSTICS)>CLEAR MEMORY .
    4. Perform the corresponding inspection mode. Ref. to ENGINE (DIAGNOSTICS) (H4DO)>INSPECTION MODE .
    5. Using the Subaru Select Monitor or a general scan tool, read the DTC of [Engine]. Ref. to COMMON (DIAGNOSTICS)>DIAGNOSTIC TROUBLE CODE (DTC) .

    Is DTC U0298 displayed? (Current code)

    Yes:  Check for the poor contact in DC/DC converter 1 connector and ECM connector. Replace the DC/DC converter 1 if no fault is found. Ref. to STARTING/CHARGING SYSTEMS (H4DO)>AUTO START STOP DC/DC CONVERTER .

    No:  The circuit has returned to a normal condition at this time. Reproduce the failure, and then perform the diagnosis again.

    NOTE: In this case, temporary poor contact of connector, temporary open or short circuit of harness may be the cause.