LEMON Manuals: Even more car manuals for everyone
Home >> Subaru >> 2023 >> BRZ Premium, Automatic Trans >> Repair and Diagnosis >> Engine Performance >> System >> Engine Control System (Diagnostics) (General) >> Diagnostics with Phenomenon >> Check Power Supply And Ground Line Of Engine Control Module (ECM)

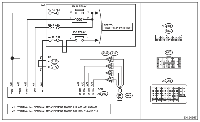
Check Power Supply And Ground Line Of Engine Control Module (ECM)

CAUTION: Use the check board when measuring the ECM terminal voltage and resistance. Ref. to ENGINE (DIAGNOSTICS) (H4DO)>GENERAL DESCRIPTION>PREPARATION TOOL>HOW TO USE CHECK BOARD .

Wiring diagram:  Engine Electrical System Ref. to WIRING SYSTEM>ENGINE ELECTRICAL SYSTEM .

G16527919Courtesy of SUBARU OF AMERICA, INC.
  1. CHECK MAIN RELAY  .
    1. Turn the ignition switch to OFF.
    2. Remove the main relay.
    3. Check the main relay. Ref. to FUEL INJECTION (FUEL SYSTEMS) (H4DO)>MAIN RELAY>INSPECTION .

      Is the check result OK?

      Yes:  Go to  2.

      No:  Replace the main relay. Ref. to FUEL INJECTION (FUEL SYSTEMS) (H4DO)>MAIN RELAY .

  2. CHECK GROUND CIRCUIT FOR ECM  .
    1. Disconnect the connector from ECM.
    2. Measure the resistance of harness between ECM connector and engine ground.

      Connector & terminal 

      (B62) No. 69 - Engine ground:

      (B62) No. 70 - Engine ground:

      (B62) No. 71 - Engine ground:

      (B62) No. 72 - Engine ground:

      Is the resistance less than 5 Ω?

      Yes:  Go to  3.

      No:  Repair the following item.

      • Open circuit of harness between ECM connector and engine ground
      • Poor contact of coupling connector
  3. CHECK INPUT VOLTAGE OF ECM (SHORT TO GROUND)  .
    1. Turn the ignition switch to ON.
    2. Measure the voltage between ECM connector and engine ground.

      Connector & terminal 

      (B62) No. 1 (+) - Engine ground (-):

      (B62) No. 56 (+) - Engine ground (-):

      Is the voltage 10 V or more?

      Yes:  Go to  4.

      No:  Repair the open or ground short in the harness of power supply circuit.

  4. CHECK M/B (MAIN RELAY) INPUT VOLTAGE  .

    Measure the voltage between M/B (main relay) terminal and engine ground.

    Terminals 

    No. 1 (+) - Engine ground (-):

    No. 2 (+) - Engine ground (-):

    Is the voltage 10 V or more?

    Yes:  Go to  5.

    No:  Repair the open or ground short in the harness of power supply circuit.

  5. CHECK INPUT VOLTAGE OF ECM  .
    1. Turn the ignition switch to OFF.
    2. Install the main relay.
    3. Measure the voltage between ECM connector and engine ground.

      Connector & terminal 

      (B62) No. 12 (+) - Engine ground (-):

      Is the voltage 10 V or more?

      Yes:  Go to  6.

      No:  Repair the open circuit of harness between ECM connector and M/B (main relay) terminal.

  6. CHECK INPUT VOLTAGE OF ECM  .
    1. Connect the connector to ECM.
    2. Turn the ignition switch to ON.
    3. Measure the voltage between ECM connector and engine ground.

      Connector & terminal 

      (B62) No. 67 (+) - Engine ground (-):

      (B62) No. 68 (+) - Engine ground (-):

      Is the voltage 10 V or more?

      Yes:  Check the starter motor circuit. Ref. to ENGINE (DIAGNOSTICS) (H4DO)>DIAGNOSTICS WITH PHENOMENON>STARTER MOTOR CIRCUIT .

      No:  Repair the following item.

      • Open circuit of harness between ECM connector and M/B (main relay)
      • Poor contact of M/B (main relay)
      • Blown out of fuse
      • Poor contact of ECM connector
    NOTE: After the faulty parts are repaired or replaced, perform the final check in Basic Diagnostic Procedure. Ref. to ENGINE (DIAGNOSTICS) (H4DO)>BASIC DIAGNOSTIC PROCEDURE>PROCEDURE .