LEMON Manuals: Even more car manuals for everyone
Home >> Subaru >> 2023 >> Ascent Base >> Repair and Diagnosis >> Engine Performance >> System >> Engine Control System (Diagnostics) (General) >> Diagnostics with Phenomenon >> Ignition Control System

Ignition Control System

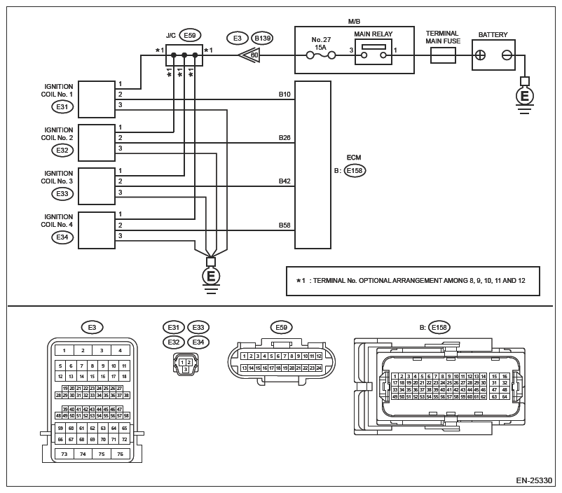
Wiring diagram: 

Engine Electrical System Ref. to WIRING SYSTEM>ENGINE ELECTRICAL SYSTEM>WIRING DIAGRAM .

G16446353Courtesy of SUBARU OF AMERICA, INC.
CAUTION: Use the check board when measuring the ECM terminal voltage and resistance.
  1. CHECK SPARK PLUG CONDITION  .
    1. Remove the spark plug. Ref. to IGNITION (H4DOTC)>SPARK PLUG>REMOVAL .
    2. Check the spark plug condition. Ref. to IGNITION (H4DOTC)>SPARK PLUG>INSPECTION .

    Is the check result OK?

    Yes:  Go to  2.

    No:  Replace the spark plug. Ref. to IGNITION (H4DOTC)>SPARK PLUG .

  2. CHECK IGNITION SYSTEM FOR SPARKS  .
    1. Connect the spark plug to ignition coil.
    2. Release the fuel pressure. Ref. to FUEL INJECTION (FUEL SYSTEMS) (H4DOTC)>FUEL>PROCEDURE>RELEASING OF FUEL PRESSURE .
    3. Contact the spark plug thread portion to engine.
    4. While opening the throttle valve fully, crank the engine to check that spark occurs at each cylinder.

    Does spark occur at each cylinder?

    Yes:  Check fuel pump system. Ref. to ENGINE (DIAGNOSTICS) (H4DOTC)>DIAGNOSTICS WITH PHENOMENON>FUEL PUMP CIRCUIT .

    No:  Go to  3.

  3. CHECK IGNITION COIL POWER SUPPLY  .
    1. Turn the ignition switch to OFF.
    2. Disconnect the connector from ignition coil.
    3. Turn the ignition switch to ON.
    4. Measure the voltage between ignition coil connector and engine ground.

      Connector & terminal 

      (E31) No. 1 (+) - Engine ground (-):

      (E32) No. 1 (+) - Engine ground (-):

      (E33) No. 1 (+) - Engine ground (-):

      (E34) No. 1 (+) - Engine ground (-):

    Is the voltage 10 V or more?

    Yes:  Go to  4.

    No:  Repair the following item.

    • Open or short to ground in harness of power supply circuit
    • Poor contact of coupling connector
    • Poor contact of J/C
    • Blown out of fuse
  4. CHECK HARNESS OF IGNITION COIL GROUND CIRCUIT (OPEN)  .
    1. Turn the ignition switch to OFF.
    2. Measure the resistance of harness between ignition coil connector and engine ground.

      Connector & terminal 

      (E31) No. 3 - Engine ground:

      (E32) No. 3 - Engine ground:

      (E33) No. 3 - Engine ground:

      (E34) No. 3 - Engine ground:

    Is the resistance less than 5 Ω?

    Yes:  Go to  5.

    No:  Repair the open circuit in harness between ignition coil connector and engine ground.

  5. CHECK HARNESS BETWEEN ECM AND IGNITION COIL CONNECTOR (OPEN)  .
    1. Disconnect the connector from ECM.
    2. Measure the resistance of harness between ECM connector and ignition coil connector.

      Connector & terminal 

      (E158) No. 10 - (E31) No. 2:

      (E158) No. 26 - (E32) No. 2:

      (E158) No. 42 - (E33) No. 2:

      (E158) No. 58 - (E34) No. 2:

    Is the resistance less than 1 Ω?

    Yes:  Go to  6.

    No:  Repair the open circuit in harness between ECM connector and ignition coil connector.

  6. CHECK HARNESS BETWEEN ECM AND IGNITION COIL CONNECTOR (SHORT TO GROUND)  .

    Measure the resistance of harness between ECM connector and engine ground.

    Connector & terminal 

    (E158) No. 10 - Engine ground:

    (E158) No. 26 - Engine ground:

    (E158) No. 42 - Engine ground:

    (E158) No. 58 - Engine ground:

    Is the resistance 1 MΩ or more?

    Yes:  Go to  7.

    No:  Repair the ground short circuit of harness between ECM connector and ignition coil connector.

  7. CHECK FOR POOR CONTACT  .

    Check for poor contact of ECM connector.

    Is there poor contact of ECM connector?

    Yes:  Repair the poor contact of ECM connector.

    No:  Replace the ignition coil. Ref. to IGNITION (H4DOTC)>IGNITION COIL .

NOTE: After the faulty parts are repaired or replaced, perform the final check in Basic Diagnostic Procedure. Ref. to ENGINE (DIAGNOSTICS) (H4DOTC)>BASIC DIAGNOSTIC PROCEDURE>PROCEDURE .