LEMON Manuals: Even more car manuals for everyone
Home >> Subaru >> 2023 >> Ascent Base >> Repair and Diagnosis >> Engine Performance >> System >> Engine Control System (Diagnostics) (General) >> Diagnostics with Phenomenon >> Fuel Pump Circuit

Fuel Pump Circuit

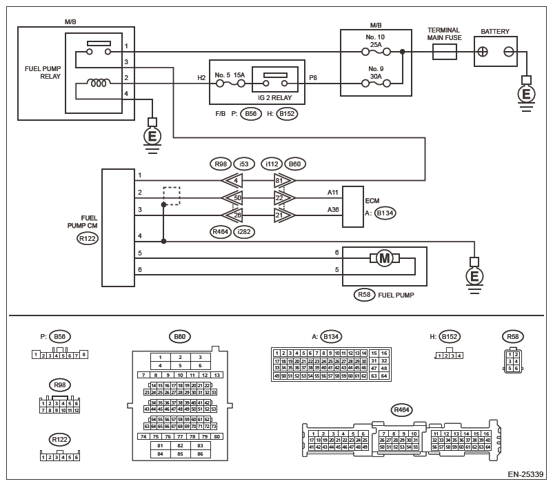
Wiring diagram: 

Engine Electrical System Ref. to WIRING SYSTEM>ENGINE ELECTRICAL SYSTEM>WIRING DIAGRAM .

G16446537Courtesy of SUBARU OF AMERICA, INC.
CAUTION: Use the check board when measuring the ECM terminal voltage and resistance. Ref. to ENGINE (DIAGNOSTICS) (H4DOTC)>GENERAL DESCRIPTION>PREPARATION TOOL>HOW TO USE CHECK BOARD .
  1. CHECK OPERATING SOUND OF FUEL PUMP  .

    Check if the fuel pump operates for two seconds when turning the ignition switch to ON.

    NOTE: Fuel pump operation can be executed using the Subaru Select Monitor. Refer to "Active Test" for the procedures. Ref. to ENGINE (DIAGNOSTICS) (H4DOTC)>ACTIVE TEST .

    Does the fuel pump emit operating sound?

    Yes:  Check the fuel injector circuit. Ref. to ENGINE (DIAGNOSTICS) (H4DOTC)>DIAGNOSTICS WITH PHENOMENON>FUEL INJECTOR CIRCUIT .

    No:  Go to  2.

  2. CHECK GROUND CIRCUIT OF FUEL PUMP CONTROL UNIT (OPEN)  .
    1. Turn the ignition switch to OFF.
    2. Disconnect the connector from fuel pump control unit.
    3. Measure the resistance of harness between fuel pump control unit connector and chassis ground.

      Connector & terminal 

      (R122) No. 4 - Chassis ground:

    Is the resistance less than 5 Ω?

    Yes:  Go to  3.

    No:  Repair the open circuit in harness between fuel pump control unit connector and chassis ground.

  3. CHECK FUEL PUMP CONTROL UNIT POWER SUPPLY  .
    1. Turn the ignition switch to ON.
    2. Measure the voltage between fuel pump control unit connector and chassis ground.

      Connector & terminal 

      (R122) No. 1 (+) - Chassis ground (-):

    Is the voltage 10 V or more?

    Yes:  Go to  4.

    No:  Go to  5.

  4. CHECK OF FUEL PUMP  .
    1. Turn the ignition switch to OFF.
    2. Check fuel pump. Ref. to FUEL INJECTION (FUEL SYSTEMS) (H4DOTC)>FUEL PUMP>INSPECTION .

    Is the check result OK?

    Yes:  Repair the poor contact of fuel pump control unit connector.

    No:  Replace the fuel pump. Ref. to FUEL INJECTION (FUEL SYSTEMS) (H4DOTC)>FUEL PUMP>REMOVAL .

  5. CHECK HARNESS BETWEEN FUEL PUMP CONTROL UNIT AND M/B (FUEL PUMP RELAY) (OPEN)  .
    1. Turn the ignition switch to OFF.
    2. Remove the fuel pump relay.
    3. Measure the resistance of harness between fuel pump control unit connector and M/B (fuel pump relay).

      Connector & terminal 

      (R122) No. 1 - M/B (fuel pump relay) No. 3:

    Is the resistance less than 1 Ω?

    Yes:  Go to  6.

    No:  Repair the following item.

    • Open circuit in harness between fuel pump control unit connector and M/B (fuel pump relay)
    • Poor contact of coupling connector
  6. CHECK HARNESS BETWEEN FUEL PUMP CONTROL UNIT AND M/B (FUEL PUMP RELAY) (SHORT TO GROUND)  .

    Measure the resistance of harness between fuel pump connector and M/B (fuel pump relay).

    Connector & terminal 

    (R122) No. 1 - Chassis ground:

    Is the resistance 1 MΩ or more?

    Yes:  Go to  7.

    No:  Repair the short circuit to ground in harness between fuel pump control unit connector and M/B (fuel pump relay).

  7. CHECK FUEL PUMP RELAY  .

    Check the fuel pump relay. Ref. to FUEL INJECTION (FUEL SYSTEMS) (H4DOTC)>FUEL PUMP RELAY>INSPECTION .

    Is the check result OK?

    Yes:  Go to  8.

    No:  Replace the fuel pump relay. Ref. to FUEL INJECTION (FUEL SYSTEMS) (H4DOTC)>FUEL PUMP RELAY .

  8. CHECK POWER SUPPLY OF M/B (FUEL PUMP RELAY)  .
    1. Turn the ignition switch to ON.
    2. Measure the voltage between M/B (fuel pump relay) and engine ground.

      Connector & terminal 

      M/B (fuel pump relay) No. 1 (+) - Engine ground (-):

      M/B (fuel pump relay) No. 2 (+) - Engine ground (-):

    Is the voltage 10 V or more?

    Yes:  Go to  9.

    No:  Repair the following item.

    • Blown out of fuse
    • Defective F/B (IG2 relay)
    • Poor contact of F/B (IG2 relay)
  9. CHECK GROUND CIRCUIT OF M/B (FUEL PUMP RELAY) (OPEN)  .
    1. Turn the ignition switch to OFF.
    2. Measure the resistance in harness between M/B (fuel pump relay) terminal and engine ground.

      Connector & terminal 

      No. 4 - Engine ground:

    Is the resistance less than 5 Ω?

    Yes:  Repair the poor contact of fuel pump control unit connector.

    No:  Repair the open circuit between M/B (fuel pump relay) and engine ground.

NOTE: After the faulty parts are repaired or replaced, perform the final check in Basic Diagnostic Procedure. Ref. to ENGINE (DIAGNOSTICS) (H4DOTC)>BASIC DIAGNOSTIC PROCEDURE>PROCEDURE .