LEMON Manuals: Even more car manuals for everyone
Home >> Subaru >> 2023 >> Ascent Base >> Repair and Diagnosis >> Engine Performance >> System >> Engine Control System (Diagnostics) (4 Of 4) >> Diagnostic Procedure with Diagnostic Trouble Code (DTC) >> DTC P2103: Throttle Actuator "A" Control Motor Circuit High >> General Description >> Component Description

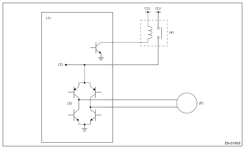
Component Description

G16394733Courtesy of SUBARU OF AMERICA, INC.
(1) Engine control module (ECM)
(2) Voltage detection circuit
(3) Drive circuit
(4) Electronic throttle control relay
(5) Motor