LEMON Manuals: Even more car manuals for everyone
Home >> Subaru >> 2023 >> Ascent Base >> Repair and Diagnosis >> Engine Performance >> System >> Engine Control System (Diagnostics) (2 Of 4) >> Diagnostic Procedure with Diagnostic Trouble Code (DTC) >> DTC P06B4: Sensor Power Supply "B" Circuit Low >> Notes

DTC P06B4: Sensor Power Supply "B" Circuit Low: Notes

DTC detecting condition: 

Immediately at fault recognition

Trouble symptom: 

Improper idling

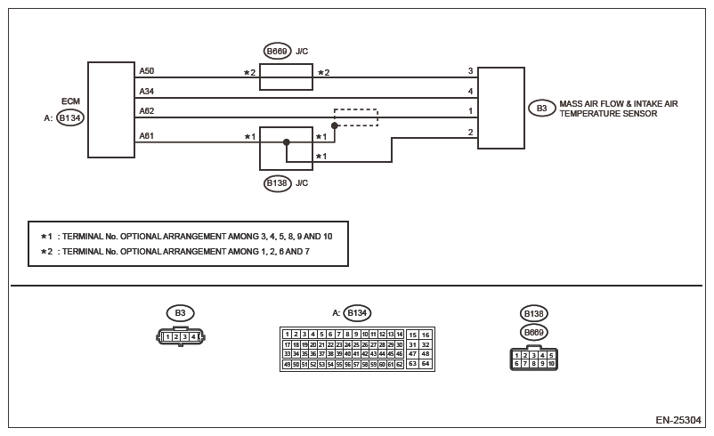
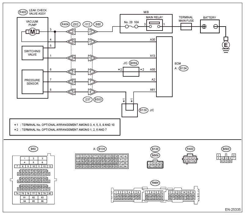
Wiring diagram: 

Engine Electrical System Ref. to WIRING SYSTEM>ENGINE ELECTRICAL SYSTEM .

G16446253Courtesy of SUBARU OF AMERICA, INC.
G16446403Courtesy of SUBARU OF AMERICA, INC.
G16446311Courtesy of SUBARU OF AMERICA, INC.
G16446242Courtesy of SUBARU OF AMERICA, INC.
G16446406Courtesy of SUBARU OF AMERICA, INC.
G16446396Courtesy of SUBARU OF AMERICA, INC.
G16446387Courtesy of SUBARU OF AMERICA, INC.
G16446208Courtesy of SUBARU OF AMERICA, INC.
CAUTION: Use the check board when measuring the ECM terminal voltage and resistance. Ref. to ENGINE (DIAGNOSTICS) (H4DOTC)>GENERAL DESCRIPTION>PREPARATION TOOL>HOW TO USE CHECK BOARD .
NOTE: After the faulty parts are repaired or replaced, perform the final check in Basic Diagnostic Procedure. Ref. to ENGINE (DIAGNOSTICS) (H4DOTC)>BASIC DIAGNOSTIC PROCEDURE>PROCEDURE .
  1. CHECK HARNESS BETWEEN ECM AND EACH SENSOR CONNECTOR (SHORT TO GROUND)  .
    1. Turn the ignition switch to OFF.
    2. Disconnect the connector from ECM.
    3. Disconnect the connectors from the mass air flow and intake air temperature sensor.
    4. Disconnect the connector from the leak check valve assembly.
    5. Measure the resistance between the ECM connector and engine ground.

      Connector & terminal 

      (B134) No. 50 - Engine ground:

    Is the resistance 1 MΩ or more?

    Yes:  Go to  2.

    No:  Repair the short circuit to ground in harness between the ECM connector and the following sensor connector.

    • Mass air flow and intake air temperature sensor
    • Leak check valve assembly no yes no
  2. CHECK HARNESS BETWEEN ECM AND EACH SENSOR CONNECTOR (SHORT TO GROUND)  .
    1. Disconnect the connector from the fuel pressure sensor.
    2. Disconnect the connector from electronic wastegate valve.
    3. Disconnect the connector from CPC pressure sensor.
    4. Measure the resistance between the ECM connector and engine ground.

      Connector & terminal 

      (E158) No. 17 - Engine ground:

    Is the resistance 1 MΩ or more?

    Yes:  Go to  3.

    No:  Repair the short circuit to ground in harness between the ECM connector and the following sensor connector.

    • Fuel pressure sensor
    • Electronic wastegate valve
    • CPC pressure sensor
  3. CHECK HARNESS BETWEEN ECM AND ACCELERATOR PEDAL POSITION SENSOR CONNECTOR (SHORT TO GROUND)  .
    1. Disconnect the connector from the accelerator pedal position sensor.
    2. Measure the resistance between the ECM connector and engine ground.

      Connector & terminal 

      (B134) No. 49 - Engine ground:

    Is the resistance 1 MΩ or more?

    Yes:  Go to  4.

    No:  Repair the short circuit to ground in harness between ECM connector and accelerator pedal position sensor connector.

  4. CHECK HARNESS BETWEEN ECM AND ELECTRONIC THROTTLE CONTROL CONNECTOR (SHORT TO GROUND)  .
    1. Disconnect the connectors from electronic throttle control.
    2. Measure the resistance between the ECM connector and engine ground.

      Connector & terminal 

      (E159) No. 22 - Engine ground:

    Is the resistance 1 MΩ or more?

    Yes:  Go to  5.

    No:  Repair the ground short circuit of harness between ECM connector and electronic throttle control connector.

  5. CHECK HARNESS BETWEEN ECM AND CRANKSHAFT POSITION SENSOR CONNECTOR (SHORT TO GROUND)  .
    1. Disconnect the connector from the crankshaft position sensor.
    2. Measure the resistance between the ECM connector and engine ground.

      Connector & terminal 

      (E159) No. 30 - Engine ground:

    Is the resistance 1 MΩ or more?

    Yes:  Replace the ECM. Ref. to FUEL INJECTION (FUEL SYSTEMS) (H4DOTC)>ENGINE CONTROL MODULE (ECM) .

    No:  Repair short circuit to ground in harness between ECM connector and crankshaft position sensor connector.