LEMON Manuals: Even more car manuals for everyone
Home >> Subaru >> 2023 >> Ascent Base >> Repair and Diagnosis >> Engine Performance >> System >> Engine Control System (Diagnostics) (2 Of 4) >> Diagnostic Procedure with Diagnostic Trouble Code (DTC) >> DTC P0230: Fuel Pump Primary Circuit >> General Description >> Component Description

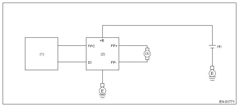
Component Description

G16390459Courtesy of SUBARU OF AMERICA, INC.
(1) Engine control module (ECM)
(2) Fuel pump control unit
(3) Fuel pump
(4) Battery