LEMON Manuals: Even more car manuals for everyone
Home >> Subaru >> 2023 >> Ascent Base >> Repair and Diagnosis >> Engine Performance >> System >> Engine Control System (Diagnostics) (1 Of 4) >> Diagnostic Procedure with Diagnostic Trouble Code (DTC) >> DTC P0134: A/F/O2 Sensor Circuit No Activity Detected Bank 1 Sensor 1 >> Notes

DTC P0134: A/F/O2 Sensor Circuit No Activity Detected Bank 1 Sensor 1: Notes

DTC detecting condition: 

Immediately at fault recognition

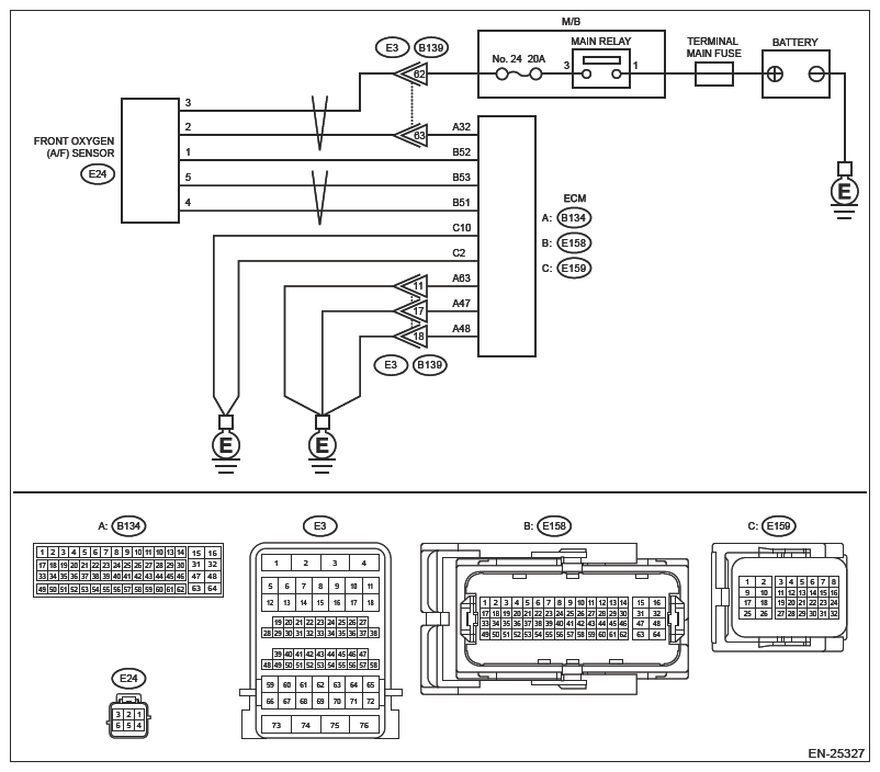
Wiring diagram: 

Engine Electrical System Ref. to WIRING SYSTEM>ENGINE ELECTRICAL SYSTEM .

G16446233Courtesy of SUBARU OF AMERICA, INC.
CAUTION: Use the check board when measuring the ECM terminal voltage and resistance. Ref. to ENGINE (DIAGNOSTICS) (H4DOTC)>GENERAL DESCRIPTION>PREPARATION TOOL>HOW TO USE CHECK BOARD .
NOTE: After the faulty parts are repaired or replaced, perform the final check in Basic Diagnostic Procedure. Ref. to ENGINE (DIAGNOSTICS) (H4DOTC)>BASIC DIAGNOSTIC PROCEDURE>PROCEDURE .
  1. CHECK HARNESS BETWEEN ECM AND FRONT OXYGEN (A/F) SENSOR CONNECTOR (OPEN)  .
    1. Turn the ignition switch to OFF.
    2. Disconnect the connector from ECM.
    3. Disconnect the connector from the front oxygen (A/F) sensor.
    4. Measure the resistance of harness between ECM connector and front oxygen (A/F) sensor connector.

      Connector & terminal 

      (E158) No. 52 - (E24) No. 1:

      (E158) No. 51 - (E24) No. 4:

      (E158) No. 53 - (E24) No. 5:

    Is the resistance less than 1 Ω?

    Yes:  Go to  2.

    No:  Repair the open circuit of harness between ECM connector and front oxygen (A/F) sensor connector.

  2. CHECK FOR POOR CONTACT  .

    Check for poor contact of ECM and front oxygen (A/F) sensor connector.

    Is there poor contact of ECM or front oxygen (A/F) sensor connector?

    Yes:  Repair the poor contact of ECM or front oxygen (A/F) sensor connector.

    No:  Replace the front oxygen (A/F) sensor. Ref. to FUEL INJECTION (FUEL SYSTEMS) (H4DOTC)>FRONT OXYGEN (A/F) SENSOR .