LEMON Manuals: Even more car manuals for everyone
Home >> Subaru >> 2023 >> Ascent Base >> Repair and Diagnosis (Single Page) >> Accessories & Equipment >> Headlights >> Lighting System >> Day Time Running Light System >> Inspection >> Daytime Running Light Module Check

Daytime Running Light Module Check

Wiring diagram: 

Headlight system and daytime running light system Ref. to WIRING SYSTEM>HEADLIGHT SYSTEM AND DAYTIME RUNNING LIGHT SYSTEM>WIRING DIAGRAM .

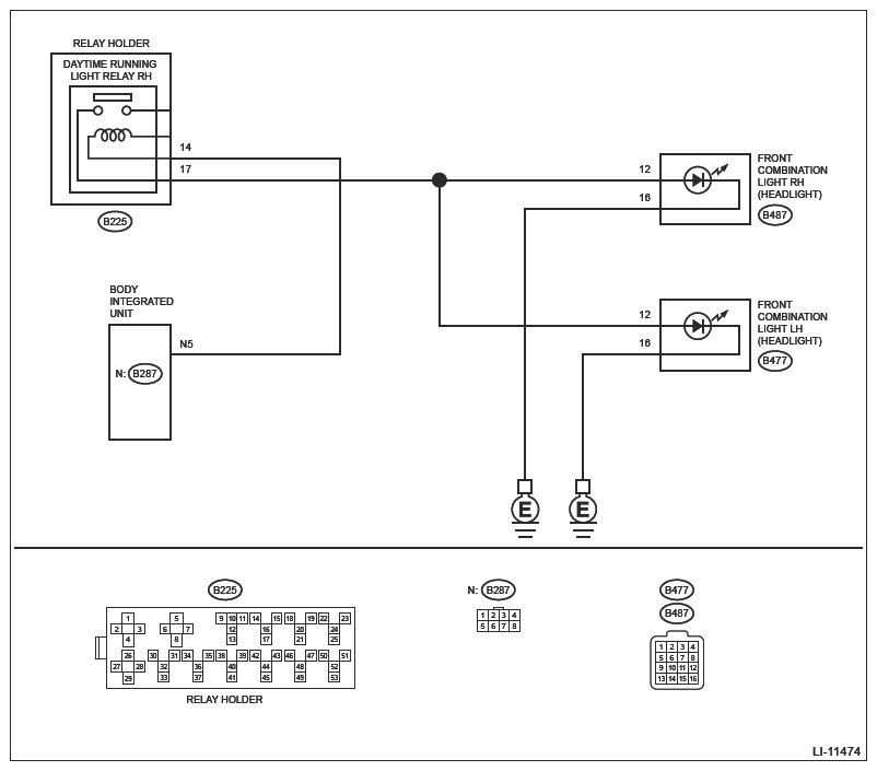
G16441267Courtesy of SUBARU OF AMERICA, INC.
  1. CHECK FUSE  .
    1. Turn the ignition switch to OFF.
    2. Check the fuse on the upstream of the daytime running light relay.

    Is the fuse OK?

    Yes:  Go to  2.

    No:  Replace the fuse.

  2. CHECK RELAY  .

    Check the daytime running light relay. Ref. to LIGHTING SYSTEM>RELAY AND FUSE>INSPECTION .

    Is the relay OK?

    Yes:  Go to  3.

    No:  Replace the relay.

  3. CHECK BODY INTEGRATED UNIT  .

    Read the DTC of [Body Control] using the Subaru Select Monitor. Ref. to BODY CONTROL (DIAGNOSTICS)>DIAGNOSTIC TROUBLE CODE (DTC) .

    Is DTC displayed?

    Yes:  Perform the diagnosis according to the DTC. Ref. to BODY CONTROL (DIAGNOSTICS)>DIAGNOSTIC TROUBLE CODE (DTC)>OPERATION .

    No:  Go to  4.

  4. CHECK CURRENT DATA  .

    Display the following items using Subaru Select Monitor. Ref. to BODY CONTROL (DIAGNOSTICS)>DATA MONITOR .

    • [EPB operating status]
    • [Shift Position]
    • [Lighting II Switch Input]

    Is the input signal normal?

    Yes:  Go to  5.

    No:  Check the defective part.

  5. CHECK CURRENT DATA  .
    1. Start the engine.
    2. Release the parking brake and place the shift position to other than "P" range.
    3. Display the [Daytime Running Light (Alternate System) Output] data using Subaru Select Monitor. Ref. to BODY CONTROL (DIAGNOSTICS)>DATA MONITOR .

    Does the display of [Daytime Running Light (Alternate System) Output] switch between [OFF] ←→ [ON] when the lighting switch is switched from the OFF position to the II (HEAD) position?

    Yes:  Go to  6.

    No:  Replace the body integrated unit. Ref. to SECURITY AND LOCKS>BODY INTEGRATED UNIT .

  6. CHECK DAYTIME RUNNING LIGHT ILLUMINATION  .
    1. Disconnect the headlight connector.
    2. Apply battery voltage to the DRL terminal input of the headlight unit.

    Terminals 

    No  : 12 (+) - No. 16 (-):

    Does the daytime running light illuminate?

    Yes:  Go to  7.

    No:  Replace the headlight. Ref. to LIGHTING SYSTEM>HEADLIGHT ASSEMBLY .

  7. CHECK HARNESS  .
    1. Disconnect the connectors of body integrated unit, daytime running light relay and headlight.
    2. Check each harness.

      Connector & terminal 

      (B287) No. 5 - (B225) No. 14:

      (B487) No. 12 - (B225) No. 17:

      (B477) No. 12 - (B225) No. 17:

    Is harness normal?

    Yes:  Replace the body integrated unit. Ref. to SECURITY AND LOCKS>BODY INTEGRATED UNIT .

    No:  Repair or replace the harness.