LEMON Manuals: Even more car manuals for everyone
Home >> Subaru >> 2022 >> Outback Base >> Repair and Diagnosis (Single Page) >> Engine Performance >> System >> Engine Control System (2.5L) (Diagnostics) (4 Of 4) >> Diagnostic Procedure With Diagnostic Trouble Code (DTC) >> DTC U171F: Lost Lin Communication With Generator >> Notes

DTC U171F: Lost Lin Communication With Generator: Notes

1. - 

DTC detecting condition: 

Immediately at fault recognition

Wiring diagram: 

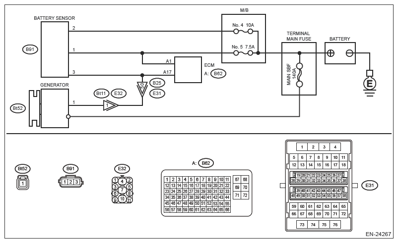
Engine Electrical System Ref. to WIRING SYSTEM>ENGINE ELECTRICAL SYSTEM .

G13626992Courtesy of SUBARU OF AMERICA, INC.
CAUTION:

Use the check board when measuring the ECM terminal voltage and resistance. Ref. to  ENGINE (DIAGNOSTICS) (H4DO)>GENERAL DESCRIPTION>PREPARATION TOOL>HOW TO USE CHECK BOARD  . 

NOTE:

After the faulty parts are repaired or replaced, perform the final check in Basic Diagnostic Procedure. Ref. to  ENGINE (DIAGNOSTICS) (H4DO)>BASIC DIAGNOSTIC PROCEDURE>PROCEDURE  . 

  1. CHECK DTC  .
    1. Turn the ignition switch to ON.
    2. Using the Subaru Select Monitor or a general scan tool, read the DTC of [Engine]. Ref. to COMMON (DIAG)>DIAGNOSTIC TROUBLE CODE (DTC) .

      Is DTC U171F displayed? (Current malfunction)

      Yes  : Go to  2 .

      No  : Even if DTC is detected, the circuit has returned to a normal condition at this time. Reproduce the failure, and then perform the diagnosis again.

  2. CHECK ECM CONNECTOR  .

    Check the connecting condition of ECM connector.

    Is the ECM connector correctly connected?

    Yes  : Go to  3 .

    No  : Connect the ECM connector correctly.

  3. CHECK VOLTAGE OF GENERATOR B TERMINAL  .
    1. Turn the ignition switch to OFF.
    2. Disconnect the ground terminal from battery sensor. Ref. to REPAIR CONTENTS>NOTE>BATTERY .
    3. Measure the voltage of the generator B terminal.

      Connector and terminal 

      Generator B terminal - Engine ground:

      Is the voltage battery voltage?

      Yes  : Go to  4 .

      No  : Check the generator B terminal harness and fuse.

  4. CHECK HARNESS BETWEEN ECM CONNECTOR AND GENERATOR CONNECTOR (OPEN)  .
    1. Disconnect the connector from ECM.
    2. Disconnect the LIN communication connector from the generator.
    3. Measure the resistance of harness between ECM and generator LIN communication connector.

      Connector and terminal 

      (B62) No. 17 - (Bt52) No. 1:

      Is the resistance less than 1 Ω?

      Yes  : Check the connector for poor contact and check the harness again. If no fault is found, replace the generator. Ref. to STARTING/CHARGING SYSTEMS (H4DO)>GENERATOR .

      No  : Repair the following item.

      • Open circuit of harness between ECM connector and generator
      • Poor contact of coupling connector