LEMON Manuals: Even more car manuals for everyone
Home >> Subaru >> 2022 >> Outback Base >> Repair and Diagnosis (Single Page) >> Engine Performance >> System >> Engine Control System (2.5L) (Diagnostics) (2 Of 4) >> Diagnostic Procedure With Diagnostic Trouble Code (DTC) >> DTC P060A: Internal Control Module Monitoring Processor Performance >> Component Description

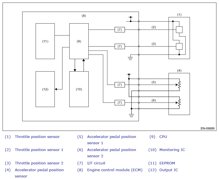
Component Description

G13954871Courtesy of SUBARU OF AMERICA, INC.