LEMON Manuals: Even more car manuals for everyone
Home >> Subaru >> 2022 >> Outback Base >> Repair and Diagnosis (Single Page) >> Engine Performance >> System >> Engine Control System (2.5L) (Diagnostics) (1 Of 4) >> Diagnostic Procedure With Diagnostic Trouble Code (DTC) >> DTC P0021: "A" Camshaft Position - Timing Over-Advanced Or System Performance Bank 2 >> Notes

DTC P0021: "A" Camshaft Position - Timing Over-Advanced Or System Performance Bank 2: Notes

1. - 

DTC detecting condition: 

Detected when two consecutive driving cycles with fault occur.

Trouble symptom: 

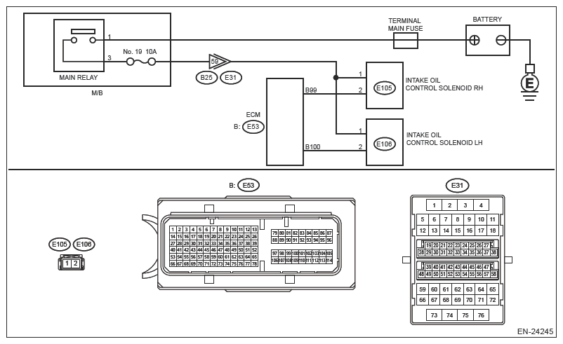
Wiring diagram: 

Engine Electrical System Ref. to WIRING SYSTEM>ENGINE ELECTRICAL SYSTEM .

G13626735Courtesy of SUBARU OF AMERICA, INC.
G13626738Courtesy of SUBARU OF AMERICA, INC.
G13626739Courtesy of SUBARU OF AMERICA, INC.
CAUTION: Use the check board when measuring the ECM terminal voltage and resistance. Ref. to ENGINE (DIAGNOSTICS) (H4DO)>GENERAL DESCRIPTION>PREPARATION TOOL>HOW TO USE CHECK BOARD .
NOTE: After the faulty parts are repaired or replaced, perform the final check in Basic Diagnostic Procedure. Ref. to ENGINE (DIAGNOSTICS) (H4DO)>BASIC DIAGNOSTIC PROCEDURE>PROCEDURE .
  1. CHECK DTC  .
    1. Turn the ignition switch to ON.
    2. Using the Subaru Select Monitor or a general scan tool, read the DTC of [Engine]. Ref. to COMMON (DIAG)>DIAGNOSTIC TROUBLE CODE (DTC) .

      Is DTC other than P000C and P0021 displayed? (Current malfunction)

      Yes  : Check the appropriate DTC using the "Diagnostic Trouble Code (DTC)". Ref. to ENGINE (DIAGNOSTICS) (H4DO)>DIAGNOSTIC TROUBLE CODE (DTC) .

      No  : Save the freeze frame data. Ref. to ENGINE (DIAGNOSTICS) (H4DO)>FREEZE FRAME DATA .

      Go to  2 .

  2. CHECK OUTPUT SIGNAL OF ECM  .

    Measure the voltage between ECM connector and engine ground.

    Connector and terminal 

    (E53) No. 100 (+) - Engine ground (-):

    Is the voltage 10 V or more?

    Yes  : Go to  3 .

    No  : Go to  4 .

  3. CHECK FOR POOR CONTACT  .

    Check the ECM connector and harness.

    NOTE: Check the following items.
    • Poor contact of ECM connector
    • Temporary open or short circuit of harness
    • Contamination, corrosion or looseness of engine ground terminal

    Is the check result OK?

    Yes  : Go to  5 .

    No  : Repair or replace faulty parts.

  4. CHECK INTAKE OIL CONTROL SOLENOID LH POWER SUPPLY  .

    Measure the voltage between intake oil control solenoid LH connector and engine ground.

    Connector and terminal 

    (E106) No. 1 (+) - Engine ground (-):

    Is the voltage 10 V or more?

    Yes  : Go to  5 .

    No  : Repair the following item.

    • Open circuit or short circuit to ground in harness between M/B and intake oil control solenoid LH connector
    • Blown out of fuse
    • Poor contact of coupling connector
  5. CHECK ENGINE OIL CONDITION  .

    Check the engine oil condition.

    NOTE: Check the following items.
    • Within the specified range in amount
    • Excessively dirty
    • Coagulated by additives
    • Use of oil of specified viscosity

    Is the check result OK?

    Yes  : Go to  6 .

    No  : Adjust the oil amount, or replace the engine oil and engine oil filter. Ref. to LUBRICATION (H4DO)>ENGINE OIL . Ref. to LUBRICATION (H4DO)>OIL FILTER .

    Go to  6 .

  6. CHECK ON-BOARD MONITOR TEST RESULT  .
    1. Turn the ignition switch to OFF.
    2. Replace the intake oil control solenoid LH. Ref. to FUEL INJECTION (FUEL SYSTEMS) (H4DO)>OIL CONTROL SOLENOID .
    3. Turn the ignition switch to ON.
    4. Using the Subaru Select Monitor or a general scan tool, perform the clear memory of [Engine]. Ref. to COMMON (DIAG)>CLEAR MEMORY .
    5. Perform the inspection mode T. Ref. to ENGINE (DIAGNOSTICS) (H4DO)>INSPECTION MODE .
    6. Read the values in [VVT Monitor Bank 1] and [VVT Monitor Bank 2] according to the reading out procedure of MODE $06 using the Subaru Select Monitor or general scan tool. Ref. to ENGINE (DIAGNOSTICS) (H4DO)>GENERAL SCAN TOOL>OPERATION>MODE $06 (REQUEST ON-BOARD MONITORING TEST RESULTS FOR INTERMITTENTLY MONITORED SYSTEMS) .
      WARNING:
      • Performing inspection mode needs a driver along with a checker who should check the data.
      • When performing inspection mode on a public road, pay sufficient attention to the traffic condition and give the highest priority to safe driving.
      NOTE:
      • Perform the inspection mode again without stopping the engine because the diagnosis is not completed yet when the diagnostic value indicates 0.
      • Always keep on checking the data while reading out the diagnostic value because the diagnostic value is repeatedly updated.
    7. Record the read values of [VVT Monitor Bank 1] and [VVT Monitor Bank 2].

      Is the value of [VVT Monitor Bank 2] for the replaced oil control solenoid 1000 or more?

      Yes  : Go to  8 .

      No  : Go to  7 .

  7. CHECK ON-BOARD MONITOR TEST RESULT  .

    Compare the values of [VVT Monitor Bank 1] and [VVT Monitor Bank 2] recorded in step 6.

    Is the value of [VVT Monitor Bank 2] 1000 or less and more than (the value of [VVT Monitor Bank 1] x 1.5 + 100) compared with the value of [VVT Monitor Bank 1]?

    Yes  : Go to  8 .

    No  : Idle the engine for 5 minutes, and then replace the oil filter and engine oil (flushing). Ref. to LUBRICATION (H4DO)>ENGINE OIL . Ref. to LUBRICATION (H4DO)>OIL FILTER .

    Go to  17 .

  8. CHECK HARNESS AND CONNECTOR  .

    Check for a bend, damage and poor contact of harness and connector.

    Is the check result OK?

    Yes  : Go to  9 .

    No  : Repair or replace faulty parts. Ref. to FUEL INJECTION (FUEL SYSTEMS) (H4DO)>ENGINE CONTROL MODULE (ECM) . Ref. to FUEL INJECTION (FUEL SYSTEMS) (H4DO)>OIL CONTROL SOLENOID . Ref. to FUEL INJECTION (FUEL SYSTEMS) (H4DO)>CAMSHAFT POSITION SENSOR . Ref. to FUEL INJECTION (FUEL SYSTEMS) (H4DO)>CRANKSHAFT POSITION SENSOR .

    Go to  9 .

  9. CHECK HARNESS AND CONNECTOR (OPEN)  .
    1. Turn the ignition switch to OFF.
    2. Disconnect the connector from ECM.
    3. Disconnect the connector from the intake oil control solenoid LH.
    4. Measure the resistance in harness between intake oil control solenoid LH connector and ECM connector.

      Connector and terminal 

      (E53) No. 100 - (E106) No. 2:

      Is the resistance less than 1 Ω?

      Yes  : Go to  10 .

      No  : Repair the open circuit in harness between ECM connector and intake oil control solenoid LH connector.

      Go to  17 .

  10. CHECK HARNESS AND CONNECTOR (OPEN).
    1. Disconnect the connector from intake camshaft position sensor LH.
    2. Measure the resistance in harness between the intake camshaft position sensor LH connector and ECM connector. Connector and terminal

      (E53) No. 77 - (E62) No. 2: Is the resistance less than 1 Ω?

      Yes  : Go to  11 .

      No  : Repair the open circuit in the harness between ECM connector and intake camshaft position sensor LH connector.

      Go to  17 .

  11. CHECK HARNESS AND CONNECTOR (OPEN)  .
    1. Disconnect the connector from the crankshaft position sensor.
    2. Measure the resistance in harness between the crankshaft position sensor connector and ECM connector.

      Connector and terminal 

      (E53) No. 66 - (E65) No. 1:

      Is the resistance less than 1 Ω?

      Yes  : Go to  12 .

      No  : Repair the open circuit in the harness between the ECM connector and crankshaft position sensor connector.

      Go to  17 .

  12. CHECK ENGINE OIL PRESSURE  .

    Check the engine oil pressure. Ref. to MECHANICAL (H4DO)>ENGINE OIL PRESSURE .

    Is the check result OK?

    Yes  : Go to  14 .

    No  : Go to  13 .

  13. CHECK OIL STRAINER  .

    Check the oil strainer. Ref. to LUBRICATION (H4DO)>OIL PAN .

    Does any foreign matter exist at the oil strainer in the oil pan?

    Yes  : Check and clean inside the oil strainer. Ref. to LUBRICATION (H4DO)>OIL PAN .

    Go to  14 .

    No  : Replace the chain cover. Ref. to MECHANICAL (H4DO)>CHAIN COVER .

    CAUTION: Overuse of liquid gasket may cause a malfunction when installing the chain cover. Use one specified in the service information with an appropriate amount (line diameter) of application. Ref. to MECHANICAL (H4DO)>CHAIN COVER .

    Go to  15 .

  14. CHECK OIL PATH OF CHAIN COVER  .
    1. Remove the engine from the vehicle. Ref. to MECHANICAL (H4DO)>ENGINE ASSEMBLY .
    2. Check the oil path of the chain cover. Ref. to MECHANICAL (H4DO)>CHAIN COVER .
      NOTE: Check the following item and repair or replace if necessary.
      • Inlet of oil pump
      • Outlet of oil pump
      • Each O-ring in the path leading to left/right cylinder head
      • Oil control solenoid
      • Foreign matter exists

      Is the check result OK?

      Yes  : Go to  15 .

      No  : Replace faulty parts. If there is any foreign matter, replace the chain cover. Ref. to MECHANICAL (H4DO)>CHAIN COVER .

      Go to  15 .

  15. CHECK CAMSHAFT  .
    1. Remove the timing chain. Ref. to MECHANICAL (H4DO)>TIMING CHAIN ASSEMBLY .
    2. Rotate the camshaft by hand to compare the rotational resistance of the four.
      NOTE: Check the following items if there is a clearly faulty condition in the camshaft (bank 2) such as restriction or rotational resistance by comparing it with the rotational resistance of the camshaft (bank 1).
      • Foreign matter attached to camshaft
      • Damage of camshaft (scratching, galling, wear, etc.)
      • Check for consequence from improper rotation of cam journal bearing

      Is the check result OK?

      Yes  : Go to  16 .

      No  : Replace the cam carrier and camshaft. Ref. to MECHANICAL (H4DO)>CAM CARRIER . Ref. to MECHANICAL (H4DO)>CAMSHAFT .

      Go to  16 .

  16. CHECK OIL PASSAGE BETWEEN OIL PUMP AND OIL CONTROL SOLENOID  .

    Visually check the following oil passage from the oil pump to the oil control solenoid to check obvious defectiveness such as foreign matter, clogging, etc.

    • Oil passage in cam Carrier
    • Oil passage on cylinder head side
    • Oil passage at the joint between cam sprocket and camshaft
    • Oil passage at the back of cam sprocket and the end of camshaft when the cam sprocket is removed
    NOTE: Refer to removal procedure of cam carrier in service information. Ref. to MECHANICAL (H4DO)>CAM CARRIER .

    Is the check result OK?

    Yes  : Replace the cam sprocket. Ref. to MECHANICAL (H4DO)>CAM SPROCKET .

    CAUTION:
    • Overuse of liquid gasket may cause a malfunction when installing the chain cover. Use one specified in the service information with an appropriate amount (line diameter) of application. Ref. to MECHANICAL (H4DO)>CHAIN COVER .
    • Make sure that the insertion amount of oil filter matches the surface of cam carrier. (Do not over-insert) Ref. to MECHANICAL (H4DO)>CAM CARRIER .

    Go to  17 .

    No  : Remove foreign matter, and replace the cam carrier oil filter (reuse not allowed). Ref. to MECHANICAL (H4DO)>CAM CARRIER .

    CAUTION:
    • Overuse of liquid gasket may cause a malfunction when installing the chain cover. Use one specified in the service information with an appropriate amount (line diameter) of application. Ref. to MECHANICAL (H4DO)>CHAIN COVER .
    • Make sure that the insertion amount of oil filter matches the surface of cam carrier. (Do not over-insert) Ref. to MECHANICAL (H4DO)>CAM CARRIER .
    NOTE: After servicing, idle the engine for 5 minutes, and then replace the oil filter and engine oil (flushing). Ref. to LUBRICATION (H4DO)>ENGINE OIL . Ref. to LUBRICATION (H4DO)>OIL FILTER .

    Go to  17 .

  17. CHECK ON-BOARD MONITOR TEST RESULT  .
    1. Turn the ignition switch to ON.
    2. Using the Subaru Select Monitor or a general scan tool, perform the clear memory of [Engine]. Ref. to COMMON (DIAG)>CLEAR MEMORY .
    3. Perform the inspection mode T. Ref. to ENGINE (DIAGNOSTICS) (H4DO)>INSPECTION MODE .
    4. Read the values in [VVT Monitor Bank 1] and [VVT Monitor Bank 2] according to the reading out procedure of MODE $06 using the Subaru Select Monitor or general scan tool. Ref. to ENGINE (DIAGNOSTICS) (H4DO)>GENERAL SCAN TOOL>OPERATION>MODE $06 (REQUEST ON-BOARD MONITORING TEST RESULTS FOR INTERMITTENTLY MONITORED SYSTEMS) .
      WARNING:
      • Performing inspection mode needs a driver along with a checker who should check the data.
      • When performing inspection mode on a public road, pay sufficient attention to the traffic condition and give the highest priority to safe driving.
      NOTE:
      • Perform the inspection mode again without stopping the engine because the diagnosis is not completed yet when the diagnostic value indicates 0.
      • Always keep on checking the data while reading out the diagnostic value because the diagnostic value is repeatedly updated.
    5. Record the read values of [VVT Monitor Bank 1] and [VVT Monitor Bank 2].

      Is the value of [VVT Monitor Bank 2] 1000 or more?

      Yes  : Replace the ECM. Ref. to FUEL INJECTION (FUEL SYSTEMS) (H4DO)>ENGINE CONTROL MODULE (ECM) .

      No  : Go to  18 .

  18. CHECK ON-BOARD MONITOR TEST RESULT  .

    Compare the values of [VVT Monitor Bank 1] and [VVT Monitor Bank 2] recorded in step 17.

    Is the value of [VVT Monitor Bank 2] 1000 or less and more than (the value of [VVT Monitor Bank 1] x 1.5 + 100) compared with the value of [VVT Monitor Bank 1]?

    Yes  : Replace the ECM. Ref. to FUEL INJECTION (FUEL SYSTEMS) (H4DO)>ENGINE CONTROL MODULE (ECM) .

    No  : End.