LEMON Manuals: Even more car manuals for everyone
Home >> Subaru >> 2022 >> Outback Base >> Repair and Diagnosis (Single Page) >> Accessories & Equipment >> Anti-Theft Systems >> Security And Locks - Keyless Access (W/Push Button Start) (Diagnostics) >> Diagnostic Procedure With Diagnostic Trouble Code (DTC) >> DTC B2789: Id Code Box Communication

DTC B2789: Id Code Box Communication

DTC detecting condition: 

When LIN transmission frame is received from ID code BOX once, but cannot be received for 10 seconds in a row during LIN bus Wake-up.

Trouble symptom: 

Engine will not start.

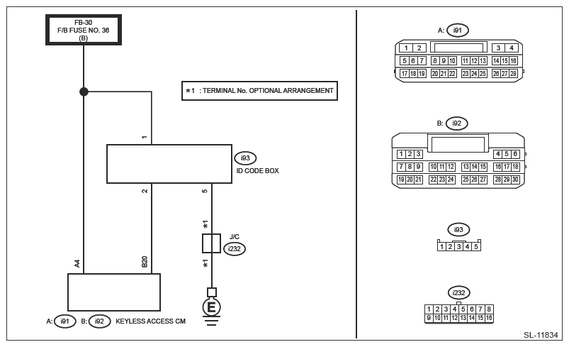
Wiring diagram: 

Keyless access with push button start system Ref. to WIRING SYSTEM>KEYLESS ACCESS WITH PUSH BUTTON START SYSTEM>WIRING DIAGRAM .

G13632734Courtesy of SUBARU OF AMERICA, INC.
CAUTION:
  1. CHECK DTC  .
    1. Turn the ignition switch to ON.
    2. Using the Subaru Select Monitor, perform the clear memory of [Keyless Access with Push Button Start(Collation)]. Ref. to COMMON (DIAG)>CLEAR MEMORY .
    3. Read the DTC of [Keyless Access with Push Button Start(Collation)] using the Subaru Select Monitor. Ref. to Keyless Access With Push Button Start System (Diagnostics)>Diagnostic Trouble Code (DTC) .

    Is DTC B2789 displayed? (Current malfunction)

    Yes  : Go to  2 .

    No  : Even if DTC is displayed, the circuit has returned to a normal condition at this time. Reproduce the failure, and then perform the diagnosis again.

    NOTE:

    In this case, temporary poor contact of connector, temporary open or short circuit of harness may be the cause. 

  2. CHECK HARNESS (GROUND SHORT CIRCUIT)  .
    1. Turn the ignition switch to OFF.
    2. Disconnect the keyless access control module connector.
    3. Using a tester, measure the resistance between the keyless access control module connector and chassis ground.

      Connector and terminal 

      (i92) No. 20 - Chassis ground:

    Is the resistance 10 kΩ or more?

    Yes  : Go to  3 .

    No  : Repair or replace the short circuit of the harness.

  3. CHECK HARNESS (OPEN CIRCUIT)  .
    1. Disconnect the ID code box connector.
    2. Using a tester, measure the resistance between the keyless access control module connector and the ID code box connector.

      Connector and terminal 

      (i92) No. 20 - (i93) No. 2:

    Is the resistance less than 1 Ω?

    Yes  : Go to  4 .

    No  : Repair or replace the open circuit of harness.

  4. CHECK HARNESS (OPEN CIRCUIT)  .

    Using a tester, measure the resistance between ID code box connector and chassis ground.

    Connector and terminal 

    (i93) No. 5 - Chassis ground:

    Is the resistance less than 1 Ω?

    Yes  : Go to  5 .

    No  : Repair or replace the open circuit of harness.

  5. CHECK HARNESS  .

    Using a tester, measure the voltage between ID code box connector and chassis ground.

    Connector and terminal 

    (i93) No. 1 (+) - Chassis ground (-):

    Is the voltage 11 - 14 V?

    Yes  : Go to  6 .

    No  : Repair or replace the faulty portion of the power supply circuit.

  6. CHECK STEERING LOCK CONTROL MODULE  .
    1. Turn the ignition switch to ON.
    2. Using the Subaru Select Monitor, perform the clear memory of [Keyless Access with Push Button Start(Collation)]. Ref. to COMMON (DIAG)>CLEAR MEMORY .
    3. Read the DTC of [Keyless Access with Push Button Start(Collation)] using the Subaru Select Monitor. Ref. to Keyless Access With Push Button Start System (Diagnostics)>Diagnostic Trouble Code (DTC) .

    Is DTC B2789 displayed? (Current malfunction)

    Yes  : Replace the ID code box. Ref. to SECURITY AND LOCKS>ID CODE BOX .

    No  : Go to  7 .

  7. CHECK ID CODE BOX  .
    1. Using the Subaru Select Monitor, perform the clear memory of [Keyless Access with Push Button Start(Collation)]. Ref. to COMMON (DIAG)>CLEAR MEMORY .
    2. Read the DTC of [Keyless Access with Push Button Start(Collation)] using the Subaru Select Monitor. Ref. to Keyless Access With Push Button Start System (Diagnostics)>Diagnostic Trouble Code (DTC) .

    Is DTC B2785 displayed? (Current malfunction)

    Yes  : Replace the keyless access control module. Ref. to SECURITY AND LOCKS>KEYLESS ACCESS CONTROL MODULE .

    No  : Even if DTC is displayed, the circuit has returned to a normal condition at this time. Reproduce the failure, and then perform the diagnosis again.

    NOTE:

    In this case, temporary poor contact of connector, temporary open or short circuit of harness may be the cause.