LEMON Manuals: Even more car manuals for everyone
Home >> Subaru >> 2022 >> Outback Base >> Repair and Diagnosis (Single Page) >> Accessories & Equipment >> Anti-Theft Systems >> Security And Locks - Keyless Access (W/Push Button Start) (Diagnostics) >> Diagnostic Procedure With Diagnostic Trouble Code (DTC) >> DTC B2274: Acc Relay Control Circuit

DTC B2274: Acc Relay Control Circuit

DTC detecting condition: 

When any of the following conditions is established.

Trouble symptom: 

Each function does not operate at the ACC position.

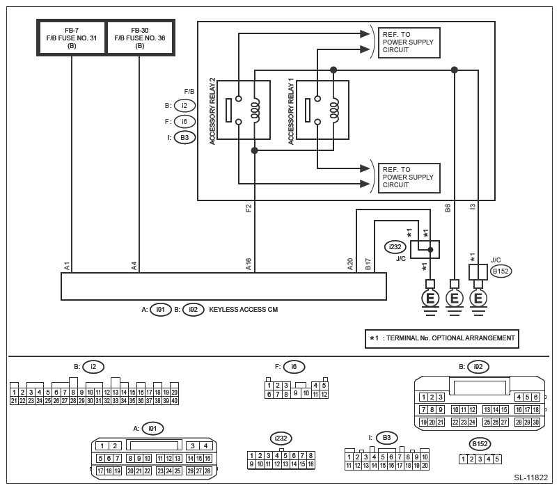
Wiring diagram: 

Keyless access with push button start system Ref. to WIRING SYSTEM>KEYLESS ACCESS WITH PUSH BUTTON START SYSTEM>WIRING DIAGRAM .

G13632718Courtesy of SUBARU OF AMERICA, INC.
CAUTION:
  1. CHECK LAN SYSTEM  .

    Inspect LAN system. Ref. to LAN SYSTEM (DIAGNOSTICS)>BASIC DIAGNOSTIC PROCEDURE>PROCEDURE .

    Is the check result OK?

    Yes  : Go to  2 .

    No  : Perform the inspection according to the diagnosis for LAN system.

  2. CHECK FUSE  .

    Check the fuse. Ref. to SECURITY AND LOCKS>RELAY AND FUSE .

    Is the check result OK?

    Yes  : Go to  3 .

    No  : Replace the fuse. When the replaced fuse is blown immediately, check the power supply circuit for short-circuited.

  3. CHECK HARNESS  .
    1. Disconnect the keyless access control module connector.
    2. Using a tester, measure the voltage between the keyless access control module connector and chassis ground.

      Connector and terminal 

      (i91) No. 1 (+) - Chassis ground (-):

      (i91) No. 4 (+) - Chassis ground (-):

    Is the voltage 9.5 - 16 V?

    Yes  : Go to  4 .

    No  : Check the power supply circuit.

  4. CHECK HARNESS (OPEN CIRCUIT)  .

    Using a tester, measure the resistance between the keyless access control module connector and chassis ground.

    Connector and terminal 

    (i92) No. 17 - Chassis ground:

    (i91) No. 20 - Chassis ground:

    Is the resistance less than 1 Ω?

    Yes  : Go to  5 .

    No  : Repair or replace the open circuit of harness.

  5. CHECK HARNESS  .
    1. Disconnect the keyless access control module connector.
    2. Using a tester, measure the resistance between the keyless access control module connector and chassis ground.

      Connector and terminal 

      (i91) No. 16 - Chassis ground:

    Is the resistance 152.61 - 216.5 Ω? (At 20°C)

    Yes  : Go to  7 .

    No  : Go to  6 .

  6. CHECK RELAY  .

    Perform inspection of ACC relay unit. Ref. to SECURITY AND LOCKS>RELAY AND FUSE .

    Is the relay OK?

    Yes  : Go to  7 .

    No  : Replace the relay.

  7. CHECK HARNESS (OPEN CIRCUIT)  .

    Using a tester, measure the resistance between the keyless access control module connector and the accessory relay (push button start), and between the accessory relay (push button start) and chassis ground.

    Connector and terminal 

    (i91) No. 16 - (i6) No. 2:

    (i2) No. 6 - Chassis ground:

    (B3) No. 3 - Chassis ground:

    Is the resistance less than 1 Ω?

    Yes  : Go to  8 .

    No  : Repair or replace the open circuit of harness.

  8. CHECK KEYLESS ACCESS CONTROL MODULE  .
    1. Connect the keyless access control module connector.
    2. Using a tester, measure the voltage between keyless access control module connectors.

      Connector and terminal 

      (i91) No. 16 (+) - Chassis ground (-):

    Does the voltage change as 1 V or less → 9.5 - 16 V according to the operation of OFF → ACC ON?

    Yes  : Even if DTC is displayed, the circuit has returned to a normal condition at this time. Reproduce the failure, and then perform the diagnosis again.

    NOTE:

    In this case, temporary poor contact of connector, temporary open or short circuit of harness may be the cause. 

    No  : Replace the keyless access control module. Ref. to SECURITY AND LOCKS>KEYLESS ACCESS CONTROL MODULE .